Запчасти Komatsu 4D120-10S - -

Схема запчастей Komatsu 4D120-10S - - -
FIT
1:1
100%

Артикул

Название

Примечание

Количество

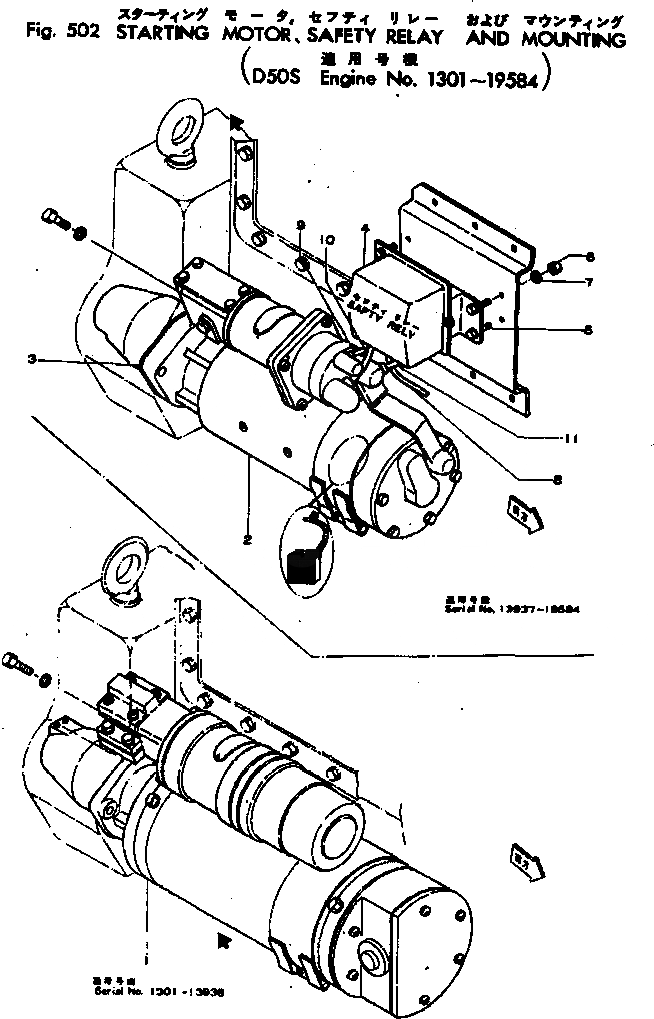
2

6004000-0-00

STARTING MOTOR

SN: 13937-19584

1шт.

3

6110-21-2810

GASKET

SN: 13937-19584

1шт.

4

6004300-5-10

SAFETY RELAY

SN: 13937-19584

1шт.

5

01000-40612

BOLT

SN: 13937-15819

4шт.

6

01500-40605

NUT

SN: 13937-15819

4шт.

7

01601-10615

WASHER

SN: 13937-15819

4шт.

Выбрано товаров: 6