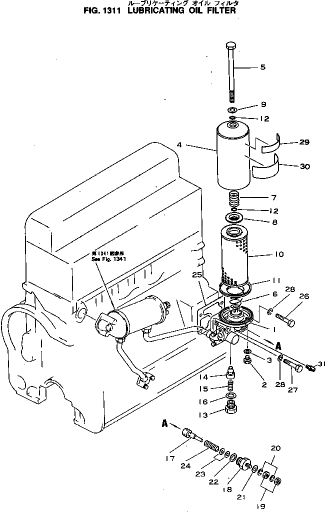
Запчасти Komatsu 4D120-11B МАСЛ. ФИЛЬТР СИСТЕМА СМАЗКИ МАСЛ. СИСТЕМА

Схема запчастей Komatsu 4D120-11B - МАСЛ. ФИЛЬТР СИСТЕМА СМАЗКИ МАСЛ. СИСТЕМА
FIT
1:1
100%

Артикул

Название

Примечание

Количество

|1

6110-53-5103

OIL FILTER ASS'Y

SN: 89377-UP

1шт.

1

6110-53-5112

BRACKET

SN: 89377-UP

1шт.

2

6110-53-5910

PLUG

SN: 89377-UP

1шт.

3

07003-01419

GASKET

SN: 89377-UP

1шт.

4

6120-51-5610

COVER

SN: 89377-UP

1шт.

5

6110-53-5620

BOLT

SN: 89377-UP

1шт.

6

6120-51-5650

SPRING

SN: 89377-UP

1шт.

7

6120-51-5630

SPRING

SN: 89377-UP

1шт.

8

6120-51-5640

RETAINER

SN: 89377-UP

1шт.

9

6110-51-5680

WASHER

SN: 89377-UP

1шт.

|10

6120-50-5103

ELEMENT ASS'Y

SN: 89377-UP

1шт.

10

0

ELEMENT

SN: 89377-UP

1шт.

11

6120-51-5180

GASKET

SN: 89377-UP

1шт.

12

6120-51-5710

O-RING

SN: 89377-UP

2шт.

13

6110-53-5230

PLUG

SN: 89377-UP

1шт.

14

6120-51-5411

VALVE

SN: 89377-UP

1шт.

15

6110-51-5450

SPRING

SN: 89377-UP

1шт.

16

6110-51-5440

GASKET

SN: 89377-UP

1шт.

17

6110-53-5510

VALVE

SN: 89377-UP

1шт.

18

6110-53-5520

PLUG

SN: 89377-UP

1шт.

19

01580-00504

NUT

SN: 89377-UP

2шт.

20

01601-00513

WASHER

SN: 89377-UP

2шт.

21

6110-51-5580

GASKET

SN: 89377-UP

1шт.

22

6110-51-5440

GASKET

SN: 89377-UP

1шт.

23

6110-51-5550

SPACER

SN: 89377-UP

5шт.

24

6110-51-5560

SPRING

SN: 89377-UP

1шт.

25

6110-53-5810

GASKET (K2)

SN: 89377-UP

1шт.

26

01010-31230

BOLT

SN: 89377-UP

3шт.

27

01011-31200

BOLT

SN: 89377-UP

1шт.

28

01602-01236

WASHER

SN: 89377-UP

4шт.

29

09646-00125

PLATE¤ CAUTION

SN: 89377-UP

1шт.

30

6110-83-2210

PLATE¤ CAUTION

SN: 89377-UP

1шт.

Выбрано товаров: 0