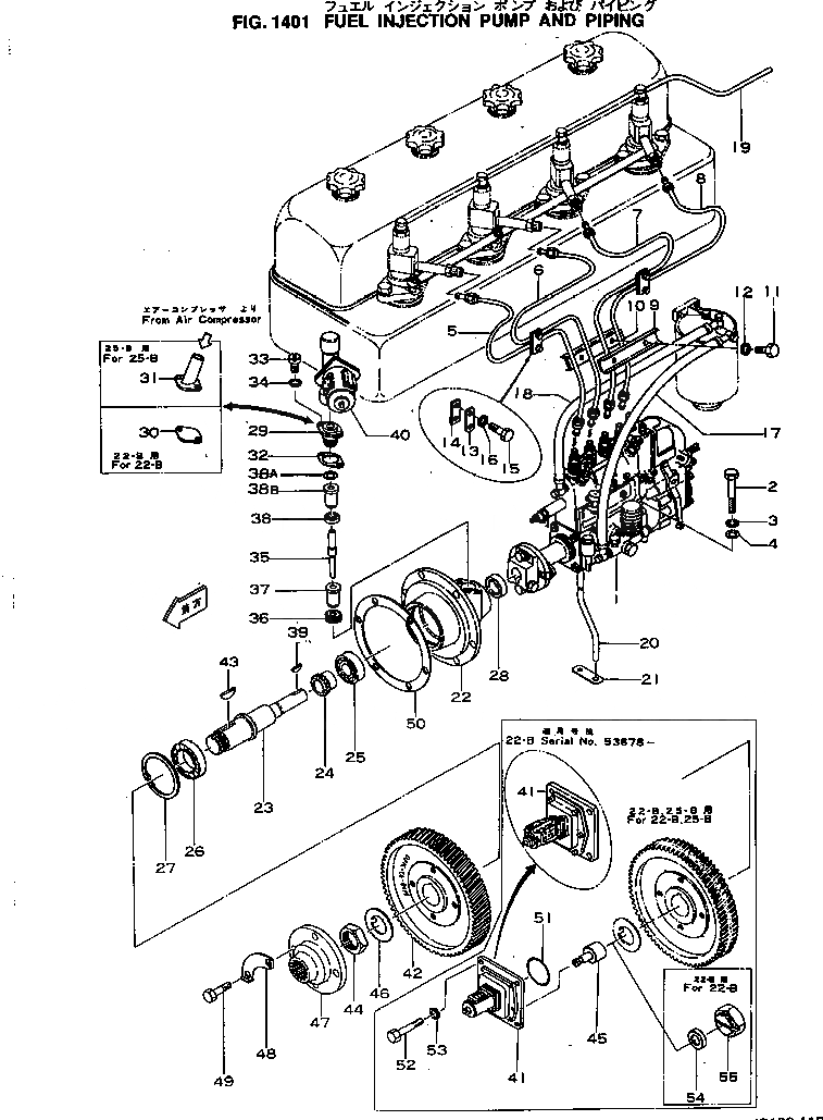
Запчасти Komatsu 4D120-11B ТОПЛ. НАСОС И ТРУБЫ ТОПЛИВН. СИСТЕМА

Схема запчастей Komatsu 4D120-11B - ТОПЛ. НАСОС И ТРУБЫ ТОПЛИВН. СИСТЕМА
FIT
1:1
100%

Артикул

Название

Примечание

Количество

1

6110-73-1400

INJECTION PUMP ASS'Y,(SEE FIG.1454)

SN: 89377-UP

1шт.

2

01010-30870

BOLT

SN: 89377-UP

4шт.

3

01602-00825

WASHER

SN: 89377-UP

4шт.

4

6110-71-5810

WASHER

SN: 89377-UP

4шт.

5

6110-73-5110

TUBE,NO.1

SN: 89377-UP

1шт.

6

6110-73-5120

TUBE,NO.2

SN: 89377-UP

1шт.

7

6110-73-5130

TUBE,NO.3

SN: 89377-UP

1шт.

8

6110-73-5140

TUBE,NO.4

SN: 89377-UP

1шт.

9

6110-71-5410

CLAMP

SN: 89377-UP

1шт.

10

6110-71-5421

CLAMP

SN: 89377-UP

1шт.

11

01010-30825

BOLT

SN: 89377-UP

2шт.

12

01602-00825

WASHER

SN: 89377-UP

2шт.

13

6110-71-5430

CLAMP

SN: 89377-UP

2шт.

14

6110-71-5440

GASKET (K2)

SN: 89377-UP

2шт.

15

01010-30620

BOLT

SN: 89377-UP

4шт.

16

01602-00619

WASHER

SN: 89377-UP

4шт.

17

07271-11445

HOSE

SN: .-UP

1шт.

|17

0

HOSE

SN: 89377-.

1шт.

18

07271-01445

HOSE

SN: .-UP

1шт.

|18

0

TUBE

SN: 89377-.

1шт.

19

6141-71-5340

HOSE,(4D120-11B)

SN: 89377-UP

1шт.

|19

6110-73-5321

PIPE,(4D120-11D)

SN: 89959-UP

1шт.

20

6110-71-7112

HOSE

SN: 89377-UP

1шт.

21

6100-71-7131

CLIP

SN: 89377-UP

1шт.

|22

6110-73-3101

CASE ASS'Y

SN: .-UP

1шт.

|22

0

CASE ASS'Y

SN: 89377-.

1шт.

22

6110-73-3311

CASE

SN: .-UP

1шт.

|22

0

CASE

SN: 89377-.

1шт.

|$$29

(6110-73-3311{6610-71-1960¤}

-1шт.

|$$30

6610-71-1970)

-1шт.

23

6110-73-3160

SHAFT

SN: 89377-UP

1шт.

24

6110-73-3230

GEAR

SN: 89377-UP

1шт.

25

06000-06204

BEARING

SN: 89377-UP

1шт.

26

06000-06207

BEARING

SN: 89377-UP

1шт.

27

04065-07225

RING

SN: 89377-UP

1шт.

28

6110-73-3370

SEAL (K2)

SN: 89377-UP

1шт.

29

6610-71-1920

HOUSING

SN: 89377-UP

1шт.

32

6610-71-1930

GASKET (K2)

SN: 89377-UP

1шт.

33

6110-73-3511

SCREW

SN: 89377-UP

2шт.

34

6110-73-3520

WASHER

SN: 89377-UP

2шт.

35

6610-71-1610

SHAFT

SN: 89377-UP

1шт.

36

6110-73-3220

GEAR

SN: 89377-UP

1шт.

37

6610-71-1620

BUSHING

SN: 89377-UP

1шт.

38

6610-71-1911

SEAL (K2)

SN: 89377-UP

1шт.

38A

6610-71-1960

WASHER (K2)

SN: 89377-UP

1шт.

38B

6610-71-1970

SPACER

SN: 89377-UP

1шт.

39

04010-10722

KEY

SN: 89377-UP

1шт.

40

08684-00142

METER

SN: 89377-UP

1шт.

42

6110-73-3120

GEAR

SN: 89377-UP

1шт.

43

04010-10732

KEY

SN: 89377-UP

1шт.

44

6110-73-3140

NUT

SN: 89377-UP

1шт.

46

6110-73-3150

LOCK (K2)

SN: 89377-UP

1шт.

47

6110-83-5610

COUPLING

SN: 89377-UP

1шт.

48

6110-83-5620

PLATE (K2)

SN: 89377-UP

2шт.

49

01010-31025

BOLT

SN: 89377-UP

4шт.

50

6110-71-3811

GASKET (K2)

SN: 89377-UP

1шт.

Выбрано товаров: 56