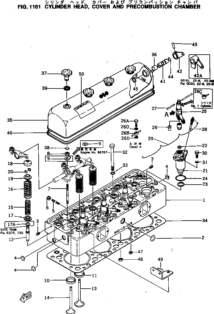
Запчасти Komatsu 4D120-11C ГОЛОВКА ЦИЛИНДРОВ¤ КРЫШКАAND PRECOMBUSTION КАМЕРА ГОЛОВКА ЦИЛИНДРОВ

Схема запчастей Komatsu 4D120-11C - ГОЛОВКА ЦИЛИНДРОВ¤ КРЫШКАAND PRECOMBUSTION КАМЕРА ГОЛОВКА ЦИЛИНДРОВ
FIT
1:1
100%

Артикул

Название

Примечание

Количество

|1

6110-10-1027

CYLINDER HEAD A.

SN: 87420-UP

1шт.

|1

0

CYLINDER HEAD A.

SN: 77074-87419

1шт.

|$$3

(6110-10-1027{6110-13-2133)}

-1шт.

|1

6110-10-1025

CYLINDER HEAD A.

SN: 74902-77073

1шт.

|1

6110-10-1024

CYLINDER HEAD A.

SN: 63735-74901

1шт.

|1

6110-10-1023

CYLINDER HEAD A.

SN: 52274-63734

1шт.

|1

6110-10-1022

CYLINDER HEAD A.

SN: 50798-52273

1шт.

|1

6110-10-1126

CYLINDER HEAD A.

SN: 87420-UP

1шт.

|1

0

CYLINDER HEAD A.

SN: 77074-87419

1шт.

|$$10

(6110-10-1126{6110-13-2133)}

-1шт.

|1

6110-10-1123

CYLINDER HEAD A.

SN: 74902-77073

1шт.

|1

6110-10-1122

CYLINDER HEAD A.

SN: 52274-74901

1шт.

|1

6110-10-1121

CYLINDER HEAD A.

SN: 50798-52273

1шт.

1

0

HEAD,CYLINDER

SN: 87420-UP

1шт.

|1

0

HEAD,CYLINDER

SN: 77074-87419

1шт.

|1

0

HEAD,CYLINDER

SN: 74902-77073

1шт.

|1

0

HEAD,CYLINDER

SN: 52274-74901

1шт.

|1

0

HEAD,CYLINDER

SN: 50798-52273

1шт.

2

07046-13520

PLUG

SN: 77074-UP

2шт.

|2

07046-13520

PLUG

SN: 50798-77073

3шт.

3

07043-00108

PLUG

SN: 87698-UP

2шт.

|3

07042-00108

PLUG

SN: 50798-87697

2шт.

4

07046-13020

PLUG

SN: 77074-UP

17шт.

|4

07046-13020

PLUG

SN: 50798-77073

13шт.

5

01140-71035

STUD

SN: 87420-UP

8шт.

|5

01140-31035

STUD

SN: 50798-87419

8шт.

6

6110-11-1190

NUT

SN: 50798-UP

8шт.

7

6110-11-1151

STUD

SN: 50798-UP

4шт.

8

01580-01008

NUT

SN: 50798-UP

4шт.

9

01643-31032

WASHER

SN: 86767-UP

4шт.

|9

01650-21012

WASHER (K1)

SN: 50798-86766

4шт.

10

6110-11-1171

SEAT,EXHAUST (STD)

SN: 87420-UP

4шт.

|10

0

SEAT,EXHAUST (STD)

SN: 50798-87419

4шт.

|10

6110-19-1171

SEAT¤ 0.25MM,EXHAUST (OS)

SN: 87420-UP

4шт.

|10

0

SEAT¤ 0.25MM,EXHAUST (OS)

SN: 50798-87419

4шт.

|10

6110-18-1171

SEAT¤ 0.50MM,EXHAUST (OS)

SN: 87420-UP

4шт.

|10

0

SEAT¤ 0.50MM,EXHAUST (OS)

SN: 50798-87419

4шт.

11

6110-13-1181

SEAT,INTAKE (STD)

SN: 87420-UP

4шт.

|11

0

SEAT,INTAKE (STD)

SN: 50798-87419

4шт.

|11

6110-19-1181

SEAT¤ 0.25MM,INTAKE (OS)

SN: 87420-UP

4шт.

|11

0

SEAT¤ 0.25MM,INTAKE (OS)

SN: 50798-87419

4шт.

|11

6110-18-1181

SEAT¤ 0.50MM,INTAKE (OS)

SN: 87420-UP

4шт.

|11

0

SEAT¤ 0.50MM,INTAKE (OS)

SN: 50798-87419

4шт.

12

6110-13-1311

GUIDE

SN: 87420-UP

8шт.

|12

0

GUIDE

SN: 50798-87419

8шт.

13

6110-43-4110

VALVE,INTAKE

SN: 50798-UP

4шт.

14

6110-43-4210

VALVE,EXHAUST

SN: 87420-UP

4шт.

|14

0

VALVE,EXHAUST

SN: 50798-87419

4шт.

15

6112-43-4410

SPRING

SN: 63735-UP

8шт.

|15

6110-43-4410

SPRING

SN: 50798-63734

8шт.

16

6112-43-4420

SPRING

SN: 63735-UP

8шт.

|16

0

SPRING

SN: 50798-63734

8шт.

17

6110-43-4530

SEAT

SN: 63735-UP

8шт.

|17

6110-41-4530

SEAT

SN: 50798-63734

8шт.

18

6110-41-4540

CAP

SN: 50798-UP

8шт.

|19

6110-40-4500

VALVE COTTER A.

SN: 50798-UP

8шт.

19

0

SEAT

SN: 50798-UP

1шт.

20

0

COTTER

SN: 50798-UP

1шт.

|21

6110-10-2203

CHAMBER ASS'Y

SN: 87439-UP

4шт.

|21

0

CHAMBER ASS'Y

SN: 54266-87438

4шт.

|21

6110-10-2201

CHAMBER ASS'Y

SN: 50798-54265

4шт.

21

0

CHAMBER

SN: 87439-UP

1шт.

|21

0

CHAMBER

SN: 54266-87438

1шт.

|21

0

CHAMBER

SN: 50798-54265

1шт.

22

6110-11-2122

GASKET

SN: 50798-UP

1шт.

23

6110-13-2813

GASKET (K1)

SN: 87420-UP

4шт.

|23

0

GASKET

SN: 50798-87419

4шт.

|23

0

GASKET

SN: (75552-75829)

4шт.

|23

0

GASKET

SN: (50798-75551)

4шт.

24

6110-11-2820

O-RING (K1)

SN: 50798-UP

4шт.

|25

6110-13-3300

NOZZLE HOLDER A.,NO.2¤3¤4(ZEXEL)

SN: 69225-UP

3шт.

|25

6002005-4-00

NOZZLE HOLDER A.,NO.2¤3¤4(ZEXEL)

SN: 50798-69224

3шт.

|25

6110-13-3100

NOZZLE HOLDER A.,NO.2¤3¤4(NIPPON DENSO)

SN: 69225-UP

3шт.

|25

6002006-4-00

NOZZLE HOLDER A.,NO.2¤3¤4(NIPPON DENSO)

SN: 50798-69224

3шт.

|25

6110-13-3400

NOZZLE HOLDER A.,NO.1(ZEXEL)

SN: 69225-UP

1шт.

|25

6002005-5-00

NOZZLE HOLDER A.,NO.1(ZEXEL)

SN: 50798-69224

1шт.

|25

6110-13-3200

NOZZLE HOLDER A.,NO.1(NIPPON DENSO)

SN: 69225-UP

1шт.

|25

6002006-5-00

NOZZLE HOLDER A.,NO.1(NIPPON DENSO)

SN: 50798-69224

1шт.

25

6110-13-3210

HOLDER,NO.2¤3¤4(ZEXEL)

SN: 69225-UP

1шт.

|25

6002005-4-10

HOLDER,NO.2¤3¤4(ZEXEL)

SN: 50798-69224

1шт.

|25

6110-13-3110

HOLDER,NO.2¤3¤4(NIPPON DENSO)

SN: 69225-UP

1шт.

|25

6002006-4-10

HOLDER,NO.2¤3¤4(NIPPON DENSO)

SN: 50798-69224

1шт.

|25

6110-13-3210

HOLDER,NO.1(ZEXEL)

SN: 69225-UP

1шт.

|25

6002005-5-10

HOLDER,NO.1(ZEXEL)

SN: 50798-69224

1шт.

|25

6110-13-3110

HOLDER,NO.1(NIPPON DENSO)

SN: 69225-UP

1шт.

|25

6002006-5-10

HOLDER,NO.1(NIPPON DENSO)

SN: 50798-69224

1шт.

26

6002001-1-11

NOZZLE

SN: 69225-UP

1шт.

|26

6002000-1-20

NOZZLE

SN: 50798-69224

1шт.

26A

6127-11-3150

BOLT

SN: 50798-UP

1шт.

26B

6110-13-3270

JOINT,NO.2¤3¤4

SN: 50798-UP

1шт.

26C

6110-13-3280

JOINT,NO.1

SN: 50798-UP

1шт.

26D

6127-11-3160

GASKET (K1)

SN: 50798-UP

2шт.

27

6110-71-5312

PIPE

SN: 50798-UP

3шт.

28

600-815-2650

PLUG,(BROWN)

SN: .-UP

4шт.

|28

0

PLUG,(RED)

SN: 87439-.

4шт.

|$$96

(600-815-2650{600-815-3710)}

-1шт.

|28

0

PLUG

SN: 50798-87438

4шт.

|$$98

(600-815-2650{600-815-3710)}

-1шт.

29

6110-83-4110

WIRE

SN: 50798-UP

1шт.

30

6110-13-2133

BOLT

SN: 87420-UP

8шт.

|30

6110-13-2132

BOLT

SN: 77074-87419

8шт.

|30

6110-13-2131

BOLT

SN: 75406-77073

8шт.

|30

0

BOLT

SN: 50798-75405

8шт.

32

6110-13-1612

BOLT

SN: 73724-UP

26шт.

|32

0

BOLT

SN: 69225-73723

26шт.

|32

0

BOLT

SN: 50798-69224

26шт.

33

6110-11-1620

WASHER

SN: 50798-UP

26шт.

34

6110-13-1810

GASKET (K1)

SN: 51188-UP

1шт.

|34

0

GASKET

SN: 50798-51187

1шт.

35

6110-15-8301

HEAD COVER ASS'Y

SN: .-UP

1шт.

|35

0

HEAD COVER ASS'Y

SN: 50798-.

1шт.

35

6110-13-8110

COVER

SN: 50798-UP

1шт.

36

6110-13-8491

BUSHING

SN: .-UP

1шт.

|36

0

BUSHING

SN: 50798-.

1шт.

37

6110-11-8122

NUT

SN: 50798-UP

4шт.

38

6110-11-8130

RING

SN: 50798-UP

4шт.

39

6110-11-8820

WASHER (K1)

SN: 50798-UP

4шт.

41

6110-13-8410

SHAFT

SN: 50798-UP

1шт.

42A

6112-13-8430

LEVER

SN: 50798-UP

1шт.

43

04025-00640

PIN

SN: 50798-UP

1шт.

44

07000-02018

O-RING (K1)

SN: 50798-UP

1шт.

45

04064-02212

RING

SN: 50798-UP

1шт.

46

6110-11-8811

GASKET (K1)

SN: 50798-UP

1шт.

47

6110-23-2710

FERRULE (K1)

SN: 86090-UP

10шт.

|47

0

FERRULE

SN: 50798-86089

10шт.

48

6110-21-2721

FERRULE (K1)

SN: 50798-UP

16шт.

49C

6110-15-9110

BRACKET

SN: 52250-UP

1шт.

50

6110-83-2980

PLATE¤ CAUTION,(A)

SN: 50798-UP

1шт.

Выбрано товаров: 128