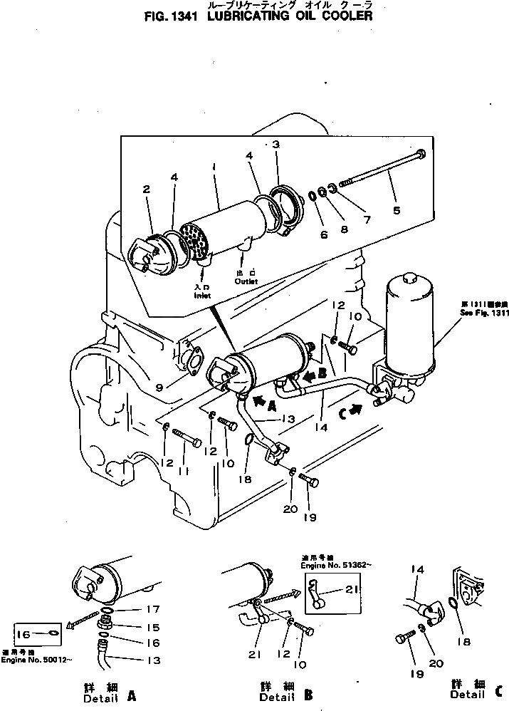
Запчасти Komatsu 4D120-11C СИСТЕМА СМАЗКИ МАСЛООХЛАДИТЕЛЬ СИСТЕМА СМАЗКИ МАСЛ. СИСТЕМА

Схема запчастей Komatsu 4D120-11C - СИСТЕМА СМАЗКИ МАСЛООХЛАДИТЕЛЬ СИСТЕМА СМАЗКИ МАСЛ. СИСТЕМА
FIT
1:1
100%

Артикул

Название

Примечание

Количество

|1

6110-63-2101

OIL COOLER ASS'Y

SN: 50798-UP

1шт.

1

6110-63-2110

ELEMENT

SN: 50798-UP

1шт.

2

6110-63-2120

COVER

SN: 50798-UP

1шт.

3

6110-63-2130

COVER

SN: 50798-UP

1шт.

4

6110-63-2180

GASKET

SN: 50798-UP

2шт.

5

6110-63-2160

BOLT

SN: 50798-UP

1шт.

6

07000-02010

O-RING

SN: 50798-UP

1шт.

7

01602-01030

WASHER

SN: 50798-UP

1шт.

8

01640-21016

WASHER

SN: 50798-UP

1шт.

9

6110-63-2810

GASKET (K2)

SN: 50798-UP

2шт.

10

01010-31045

BOLT

SN: 50798-UP

3шт.

11

01010-31080

BOLT

SN: 50798-UP

1шт.

12

01602-01030

WASHER

SN: 50798-UP

4шт.

13

6110-53-7111

PIPE

SN: 50798-UP

1шт.

14

6110-53-7211

PIPE

SN: 50798-UP

1шт.

15

6110-53-7312

CONNECTOR

SN: 75406-UP

2шт.

|15

0

CONNECTOR

SN: 69225-75405

2шт.

|15

6110-53-7310

CONNECTOR

SN: 50798-69224

2шт.

16

07000-03017

O-RING

SN: 50798-UP

4шт.

18

07000-03028

O-RING (K2)

SN: 50798-UP

2шт.

19

01010-30845

BOLT

SN: 69225-UP

4шт.

|19

01000-30845

BOLT

SN: 50798-69224

4шт.

20

01602-00825

WASHER

SN: 50798-UP

4шт.

21

6110-53-7332

CLAMP

SN: 51362-UP

1шт.

|21

0

CLAMP

SN: 50798-51361

1шт.

22

6110-25-6230

BRACKET,(NOT SHOWN)

SN: 50798-UP

1шт.

Выбрано товаров: 26