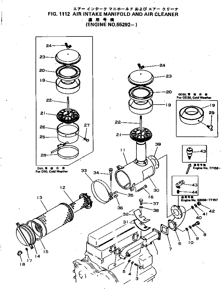
Запчасти Komatsu 4D120-11C ТРУБОПРОВОД ВПУСКА ВОЗДУХА И ВОЗДУХООЧИСТИТЕЛЬ(№9-) ГОЛОВКА ЦИЛИНДРОВ

Схема запчастей Komatsu 4D120-11C - ТРУБОПРОВОД ВПУСКА ВОЗДУХА И ВОЗДУХООЧИСТИТЕЛЬ(№9-) ГОЛОВКА ЦИЛИНДРОВ
FIT
1:1
100%

Артикул

Название

Примечание

Количество

1

6110-13-4112

MANIFOLD

SN: 63105-UP

1шт.

|1

0

MANIFOLD

SN: 52844-63104

1шт.

2

6110-11-4810

GASKET (K1)

SN: 50798-UP

2шт.

3

01010-31095

BOLT

SN: 69225-UP

4шт.

|3

01040-31095

BOLT

SN: 55292-69224

4шт.

4

01602-01030

WASHER

SN: 50798-UP

4шт.

6

6110-13-4412

PIPE

SN: 50798-UP

1шт.

7

6110-13-4420

GASKET (K1)

SN: 50798-UP

1шт.

8

01010-31035

BOLT

SN: 55292-UP

4шт.

9

01602-01030

WASHER

SN: 50798-UP

4шт.

|11

6110-85-7100

AIR CLEANER ASS'Y

SN: 55292-UP

1шт.

11

6110-85-7110

BODY

SN: 55292-UP

1шт.

|12

6110-80-7300

ELEMENT ASS'Y

SN: 50798-UP

1шт.

12

0

ELEMENT,INNER

SN: 50798-UP

1шт.

13

6003000-1-10

ELEMENT,OUTER

SN: 50798-UP

1шт.

14

6003000-2-20

COVER

SN: 50798-UP

1шт.

15

6003000-8-10

GASKET

SN: 50798-UP

1шт.

16

600-181-2190

BOLT

SN: 87758-UP

2шт.

|16

0

BOLT

SN: 50798-87757

2шт.

17

01640-20816

WASHER

SN: 50798-UP

2шт.

18

6003000-2-40

NUT

SN: 50798-UP

2шт.

|19

6110-83-7500

PRE-CLEANER ASS'Y

SN: 50798-UP

1шт.

19

6672-82-7540

BODY

SN: 50798-UP

1шт.

20

6643-81-7590

TRAP

SN: .-UP

1шт.

|20

6110-83-7590

TRAP

SN: 50798-.

1шт.

|21

6672-82-7510

SLEEVE ASS'Y

SN: 50798-UP

1шт.

21

6672-82-7520

SLEEVE

SN: 50798-UP

1шт.

22

6672-82-7530

BOLT

SN: 50798-UP

1шт.

|23

6672-82-7550

COVER ASS'Y

SN: 50798-UP

1шт.

23

6672-82-7560

COVER

SN: 50798-UP

1шт.

24

6672-82-7570

NUT

SN: 50798-UP

1шт.

30

09637-00160

PLATE¤ INSTRUCTION

SN: 58641-UP

1шт.

|30

0

PLATE¤ INSTRUCTION

SN: 55292-58640

1шт.

31

6110-11-4610

BRACKET

SN: 55292-UP

1шт.

32

6110-11-4620

FELT

SN: 50798-UP

1шт.

|33

6110-11-4050

BAND ASS'Y

SN: 50798-UP

1шт.

33

6110-11-4511

BAND ASS'Y

SN: 50798-UP

1шт.

34

6643-11-4641

BOLT

SN: 82694-UP

1шт.

|34

0

BOLT

SN: 63165-82693

1шт.

|34

6610-11-4540

BOLT

SN: 50798-63164

1шт.

35

6643-11-4620

PIN

SN: 50798-UP

1шт.

36

6643-11-4630

PIN¤ WITH THREAD

SN: 50798-UP

1шт.

37

01010-31020

BOLT

SN: 55292-UP

2шт.

38

01602-01030

WASHER

SN: 55292-UP

2шт.

39

6110-11-4430

GASKET (K1)

SN: 50798-UP

1шт.

41

01602-00825

WASHER

SN: 50798-UP

6шт.

42

01580-00806

NUT

SN: 69225-UP

6шт.

|42

01500-30807

NUT

SN: 50798-69224

6шт.

|43

600-181-0310

INDICATOR

SN: 69225-77157

1шт.

|43

0

INDICATOR

SN: 50798-69224

1шт.

43

08670-50635

INDICATOR

SN: 77158-UP

1шт.

|43

600-181-0340

INDICATOR

SN: 69225-77157

1шт.

|43

0

INDICATOR

SN: 50798-69224

1шт.

44

600-181-0320

ADAPTER

SN: 69225-77157

1шт.

|44

0

ADAPTER

SN: 50798-69224

1шт.

Выбрано товаров: 55