Запчасти Komatsu 4D120-11D СМАЗЫВ. НАСОС СИСТЕМА СМАЗКИ МАСЛ. СИСТЕМА

Схема запчастей Komatsu 4D120-11D - СМАЗЫВ. НАСОС СИСТЕМА СМАЗКИ МАСЛ. СИСТЕМА
FIT
1:1
100%

Артикул

Название

Примечание

Количество

|1

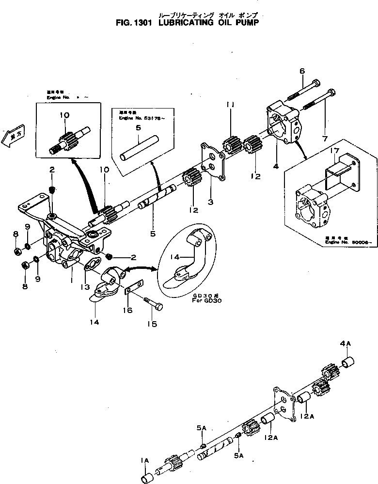
6110-53-1107

OIL PUMP ASS'Y

SN: .-UP

1шт.

|1

0

OIL PUMP ASS'Y

SN: 89377-.

1шт.

|$$3

(6110-53-1107{6110-53-2122¤}

-1шт.

|$$4

04025-00532{6114-51-2120)}

-1шт.

|1

6112-53-1200

BODY ASS'Y

SN: 89377-UP

1шт.

1

0

BODY

SN: 89377-UP

1шт.

1A

0

BUSHING

SN: 89377-UP

1шт.

2

07043-00312

PLUG

SN: 89377-UP

2шт.

3

6110-53-1122

PLATE

SN: 89377-UP

1шт.

|4

6110-53-1300

BODY ASS'Y

SN: 89377-UP

1шт.

4

0

BODY

SN: 89377-UP

1шт.

4A

0

BUSHING

SN: 89377-UP

1шт.

5

6110-53-1162

SHAFT

SN: 89377-UP

1шт.

5A

07043-00108

PLUG

SN: 89377-UP

2шт.

6

6110-53-1170

BOLT

SN: 89377-UP

3шт.

7

6110-53-1180

BOLT

SN: 89377-UP

1шт.

8

01582-01008

NUT

SN: 89377-UP

4шт.

9

01602-01030

WASHER

SN: 89377-UP

4шт.

10

6114-51-1310

SHAFT

SN: .-UP

1шт.

|10

0

SHAFT

SN: 89377-.

1шт.

|$$21

(6114-51-1310{6110-53-1414¤}

-1шт.

|$$22

6112-53-1500(2))

-1шт.

11

6110-53-1414

GEAR

SN: 89377-UP

1шт.

|12

6112-53-1500

GEAR ASS'Y

SN: 89377-UP

2шт.

12

0

GEAR

SN: 89377-UP

1шт.

12A

0

BUSHING

SN: 89377-UP

1шт.

13

6110-53-1720

GASKET (K2)

SN: 89377-UP

1шт.

14

6110-53-1712

PIPE

SN: 89377-UP

1шт.

15

01010-31050

BOLT

SN: 89377-UP

2шт.

16

6110-53-1730

PLATE (K2)

SN: 89377-UP

1шт.

17

6110-53-1290

PLATE

SN: 89377-UP

1шт.

Выбрано товаров: 0