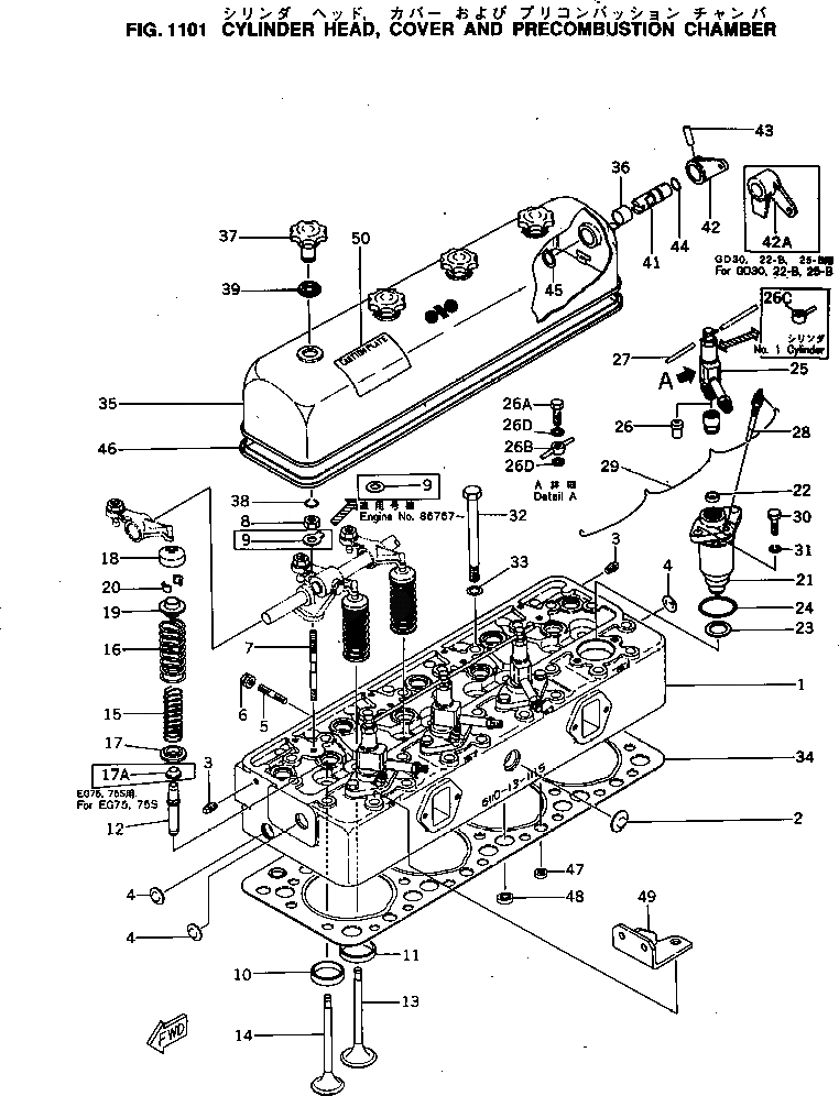
Запчасти Komatsu 4D120-11D ГОЛОВКА ЦИЛИНДРОВ¤ КРЫШКАAND PRECOMBUSTION КАМЕРА ГОЛОВКА ЦИЛИНДРОВ

Схема запчастей Komatsu 4D120-11D - ГОЛОВКА ЦИЛИНДРОВ¤ КРЫШКАAND PRECOMBUSTION КАМЕРА ГОЛОВКА ЦИЛИНДРОВ
FIT
1:1
100%

Артикул

Название

Примечание

Количество

|1

6110-10-1027

CYLINDER HEAD A.

SN: 89377-UP

1шт.

|1

6110-10-1126

CYLINDER HEAD A.

SN: 89377-UP

1шт.

1

0

HEAD,CYLINDER

SN: 89377-UP

1шт.

2

07046-13520

PLUG

SN: 89377-UP

2шт.

3

07043-00108

PLUG

SN: 89377-UP

2шт.

4

07046-13020

PLUG

SN: 89377-UP

17шт.

5

01140-71035

STUD

SN: 89377-UP

8шт.

6

6110-11-1190

NUT

SN: 89377-UP

8шт.

7

6110-11-1151

STUD

SN: 89377-UP

4шт.

8

01580-01008

NUT

SN: 89377-UP

4шт.

9

01643-31032

WASHER

SN: 89377-UP

4шт.

10

6110-11-1171

SEAT,EXHAUST (STD)

SN: 89377-UP

4шт.

|10

6110-19-1171

SEAT¤ 0.25MM,EXHAUST (OS)

SN: 89377-UP

4шт.

|10

6110-18-1171

SEAT¤ 0.50MM,EXHAUST (OS)

SN: 89377-UP

4шт.

11

6110-13-1181

SEAT,INTAKE (STD)

SN: 89377-UP

4шт.

|11

6110-19-1181

SEAT¤ 0.25MM,INTAKE (OS)

SN: 89377-UP

4шт.

|11

6110-18-1181

SEAT¤ 0.50MM,INTAKE (OS)

SN: 89377-UP

4шт.

12

6110-13-1320

GUIDE

SN: .-UP

8шт.

|12

6110-13-1311

GUIDE

SN: 89377-.

8шт.

13

6110-43-4110

VALVE,INTAKE

SN: 89377-UP

4шт.

14

6110-43-4220

VALVE,EXHAUST

SN: .-UP

4шт.

|14

6110-43-4210

VALVE,EXHAUST

SN: 89377-.

4шт.

15

6112-43-4410

SPRING

SN: 89377-UP

8шт.

16

6112-43-4420

SPRING

SN: 89377-UP

8шт.

17

6110-43-4530

SEAT

SN: 89377-UP

8шт.

17A

6110-43-4590

SEAL

SN: 89377-UP

4шт.

18

6110-41-4540

CAP

SN: 89377-UP

8шт.

|19

6110-40-4600

VALVE COTTER A.

SN: .-UP

8шт.

|19

6110-40-4500

VALVE COTTER A.

SN: 89377-.

8шт.

19

0

SEAT

SN: .-UP

1шт.

|19

0

SEAT

SN: 89377-.

1шт.

20

0

COTTER

SN: 89377-UP

1шт.

|21

6110-10-2203

CHAMBER ASS'Y

SN: 89377-UP

4шт.

21

0

CHAMBER

SN: 89377-UP

1шт.

22

6110-11-2122

GASKET

SN: 89377-UP

1шт.

23

6110-13-2813

GASKET (K1)

SN: 89377-UP

4шт.

24

6110-11-2820

O-RING (K1)

SN: 89377-UP

4шт.

|25

6110-13-3300

NOZZLE HOLDER A.,NO.2¤3¤4(ZEXEL)

SN: 89377-UP

3шт.

|25

6110-13-3100

NOZZLE HOLDER A.,NO.2¤3¤4(NIPPON DENSO)

SN: 89377-UP

3шт.

|25

6110-13-3400

NOZZLE HOLDER A.,NO.1(ZEXEL)

SN: 89377-UP

1шт.

|25

6110-13-3200

NOZZLE HOLDER A.,NO.1(NIPPON DENSO)

SN: 89377-UP

1шт.

25

6110-13-3210

HOLDER,NO.2¤3¤4(ZEXEL)

SN: 89377-UP

1шт.

|25

6110-13-3110

HOLDER,NO.2¤3¤4(NIPPON DENSO)

SN: 89377-UP

1шт.

|25

6110-13-3210

HOLDER,NO.1(ZEXEL)

SN: 89377-UP

1шт.

|25

6110-13-3110

HOLDER,NO.1(NIPPON DENSO)

SN: 89377-UP

1шт.

26

6002001-1-11

NOZZLE

SN: 89377-UP

1шт.

26A

6127-11-3150

BOLT

SN: 89377-UP

1шт.

26B

6110-13-3270

JOINT,NO.2¤3¤4

SN: 89377-UP

1шт.

26C

6110-13-3280

JOINT,NO.1

SN: 89377-UP

1шт.

26D

6127-11-3160

GASKET (K1)

SN: 89377-UP

2шт.

27

6110-71-5312

PIPE

SN: 89377-UP

3шт.

28

600-815-2650

PLUG,(BROWN)

SN: .-UP

4шт.

|28

0

PLUG,(RED)

SN: 89377-.

4шт.

|$$54

(600-815-2650{600-815-3710)}

-1шт.

29

6110-83-4110

WIRE

SN: 89377-UP

1шт.

30

6110-13-2133

BOLT

SN: 89377-UP

8шт.

32

6110-13-1612

BOLT

SN: 89377-UP

26шт.

33

6110-11-1620

WASHER

SN: 89377-UP

26шт.

34

6110-13-1810

GASKET (K1)

SN: 89377-UP

1шт.

|35

6114-15-8100

HEAD COVER ASS'Y

SN: 91353-UP

1шт.

|35

6110-10-8301

HEAD COVER ASS'Y

SN: 89377-91352

1шт.

35

6114-15-8110

COVER

SN: 91353-UP

1шт.

|35

6110-13-8110

COVER

SN: 89377-91352

1шт.

36

6110-13-8491

BUSHING

SN: 89377-91352

1шт.

37

6110-11-8122

NUT

SN: 89377-UP

4шт.

38

6110-11-8130

RING

SN: 89377-UP

4шт.

39

6110-11-8820

WASHER (K1)

SN: 89377-UP

4шт.

41

6110-13-8410

SHAFT

SN: 89377-91352

1шт.

42

6110-13-8430

LEVER

SN: 89377-91352

1шт.

43

04025-00640

PIN

SN: 89377-91352

1шт.

44

07000-02018

O-RING (K1)

SN: 89377-91352

1шт.

45

04064-02212

RING

SN: 89377-91352

1шт.

46

6110-11-8811

GASKET (K1)

SN: 89377-UP

1шт.

47

6114-21-2710

FERRULE,(4D120-11B)

SN: 89377-UP

10шт.

48

6114-21-2720

FERRULE,(4D120-11B)

SN: 89377-UP

16шт.

Выбрано товаров: 75