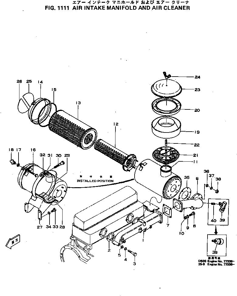
Запчасти Komatsu 4D120-11S ТРУБОПРОВОД ВПУСКА ВОЗДУХА И ВОЗДУХООЧИСТИТЕЛЬ ГОЛОВКА ЦИЛИНДРОВ

Схема запчастей Komatsu 4D120-11S - ТРУБОПРОВОД ВПУСКА ВОЗДУХА И ВОЗДУХООЧИСТИТЕЛЬ ГОЛОВКА ЦИЛИНДРОВ
FIT
1:1
100%

Артикул

Название

Примечание

Количество

1

6110-13-4112

MANIFOLD

SN: 62817-UP

1шт.

|1

0

MANIFOLD

SN: 52604-62816

1шт.

|1

0

MANIFOLD

SN: 50006-52603

1шт.

2

6110-11-4810

GASKET (K1)

SN: 50006-UP

2шт.

3

6110-13-4210

BOLT

SN: 50006-UP

4шт.

4

01602-01030

WASHER

SN: 50006-UP

4шт.

5

01640-21016

WASHER

SN: 50006-UP

4шт.

6

6110-13-4451

CONNECTOR

SN: 50006-UP

1шт.

7

6110-13-4420

GASKET (K1)

SN: 50006-UP

1шт.

8

01010-31030

BOLT

SN: 50006-UP

4шт.

9

01602-01030

WASHER

SN: 50006-UP

4шт.

10

01640-21016

WASHER

SN: 50006-UP

4шт.

|11

6110-83-7100

AIR CLEANER ASS'Y

SN: 50006-UP

1шт.

11

6110-83-7110

BODY

SN: 50006-UP

1шт.

|12

6110-80-7300

ELEMENT ASS'Y

SN: 50006-UP

1шт.

12

0

ELEMENT,INNER

SN: 50006-UP

1шт.

|12

600-181-2251

ELEMENT,INNER(URETHANE FORM)

SN: 50006-UP

1шт.

13

6003000-1-10

ELEMENT,OUTER

SN: 50006-UP

1шт.

14

6003000-2-20

COVER

SN: 50006-UP

1шт.

15

6003000-8-10

GASKET

SN: 50006-UP

1шт.

16

6003000-2-30

BOLT

SN: 50006-UP

2шт.

17

01640-20816

WASHER

SN: 50006-UP

2шт.

18

6003000-2-40

NUT

SN: 50006-UP

2шт.

|19

6110-83-7500

PRE-CLEANER ASS'Y

SN: 50006-UP

1шт.

19

6672-82-7540

BODY

SN: 50006-UP

1шт.

20

6110-83-7590

TRAP

SN: 58047-UP

1шт.

|21

6672-82-7510

SLEEVE ASS'Y

SN: 50006-UP

1шт.

21

6672-82-7520

SLEEVE

SN: 50006-UP

1шт.

22

6672-82-7530

BOLT

SN: 50006-UP

1шт.

|23

6672-82-7550

COVER ASS'Y

SN: 50006-UP

1шт.

23

6672-82-7560

COVER

SN: 50006-UP

1шт.

24

6672-82-7570

NUT

SN: 50006-UP

1шт.

25

09638-50204

PLATE¤ CAUTION

SN: 61451-UP

1шт.

|25

0

PLATE¤ CAUTION

SN: 50006-61450

1шт.

26

09639-00204

PLATE¤ INSTRUCTION

SN: 61451-UP

1шт.

|26

6110-83-2151

PLATE¤ INSTRUCTION

SN: 53852-61450

1шт.

|26

6110-83-2150

PLATE¤ INSTRUCTION

SN: 50006-53851

1шт.

|26

09639-10204

PLATE¤ INSTRUCTION,(SPANISH)

SN: 61801-UP

1шт.

|26

09639-21204

PLATE¤ INSTRUCTION,(GERMAN)

SN: 61801-UP

1шт.

27

6110-13-4651

BRACKET

SN: 52790-UP

1шт.

|27

6110-13-4650

BRACKET

SN: 50006-52789

1шт.

28

6110-11-4620

FELT

SN: 50006-UP

1шт.

29

6110-11-4050

BAND ASS'Y

SN: 50012-UP

1шт.

|29

6110-11-4510

BAND ASS'Y

SN: 50006-50011

1шт.

|29

6110-11-4511

BAND ASS'Y

SN: 50012-UP

1шт.

30

6643-11-4641

BOLT

SN: 82860-UP

1шт.

|30

0

BOLT

SN: 63165-82859

1шт.

|30

6110-11-4540

BOLT

SN: 50006-63164

1шт.

31

6643-11-4620

PIN

SN: 50012-UP

1шт.

|31

6110-11-4520

PIN

SN: 50006-50011

1шт.

32

6643-11-4630

PIN¤ WITH THREAD

SN: 50012-UP

1шт.

|32

6110-11-4530

PIN¤ WITH THREAD

SN: 50006-50011

1шт.

33

01010-31225

BOLT

SN: 50006-UP

4шт.

34

01602-01236

WASHER

SN: 50006-UP

4шт.

35

6110-11-4430

GASKET (K1)

SN: 50006-UP

1шт.

36

01640-20816

WASHER

SN: 50006-UP

6шт.

37

01602-00825

WASHER

SN: 50006-UP

6шт.

38

01580-00806

NUT

SN: 69225-UP

6шт.

|38

01500-30807

NUT

SN: 50006-69224

6шт.

|39

08670-50635

INDICATOR

SN: 77338-UP

1шт.

|39

0

INDICATOR

SN: 69225-77337

1шт.

|39

6110-83-9600

INDICATOR

SN: 50006-69224

1шт.

39

600-181-0340

INDICATOR

SN: 69225-UP

1шт.

|39

6110-83-9610

INDICATOR

SN: 50006-69224

1шт.

40

600-181-0320

ADAPTER

SN: 69225-UP

1шт.

|40

6110-83-9620

ADAPTER

SN: 50006-69224

1шт.

Выбрано товаров: 66