Запчасти Komatsu 4D130-1D ВОДЯНАЯ ПОМПА И ВЕНТИЛЯТОР ОХЛАЖДЕНИЯ(№-) ОХЛАЖД-Е И ЭЛЕКТРИКАS

Схема запчастей Komatsu 4D130-1D - ВОДЯНАЯ ПОМПА И ВЕНТИЛЯТОР ОХЛАЖДЕНИЯ(№-) ОХЛАЖД-Е И ЭЛЕКТРИКАS
FIT
1:1
100%

Артикул

Название

Примечание

Количество

|1

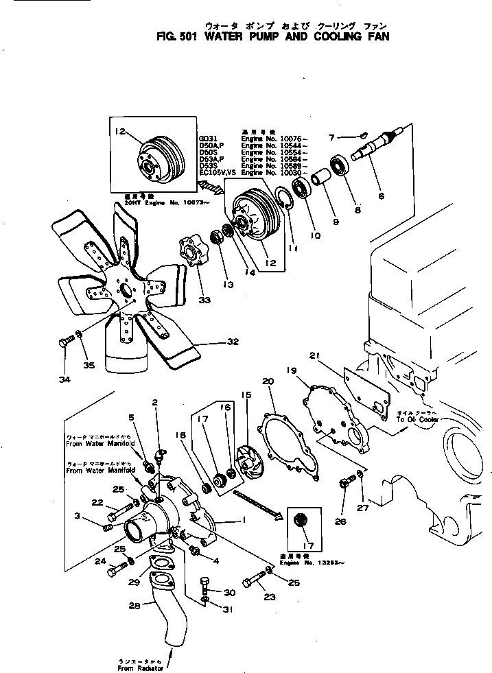
6114-61-1101

WATER PUMP ASS'Y

SN: 13263-UP

1шт.

|1

0

WATER PUMP ASS'Y

SN: 10554-13262

1шт.

|1

6114-61-1800

WATER PUMP ASS'Y,(SANDY AND DUSTY SPEC.)

SN: 10554-UP

1шт.

|1

6115-61-1800

WATER PUMP ASS'Y,(TROPICAL SANDY¤ DUSTY SPEC.)

SN: 10584-UP

1шт.

1

0

BODY

SN: 10554-UP

1шт.

2

07020-00675

FITTING

SN: 10554-UP

1шт.

3

02720-10607

PLUG

SN: 10554-UP

1шт.

4

6127-61-3890

VALVE

SN: 10554-UP

1шт.

5

07214-50610

CONNECTOR

SN: 10554-UP

1шт.

6

6114-61-1310

SHAFT

SN: 10554-UP

1шт.

7

04010-00738

KEY

SN: 10554-UP

1шт.

8

06007-06206

BEARING

SN: 10554-UP

1шт.

9

6114-61-1340

SPACER

SN: 10554-UP

1шт.

10

06007-06306

BEARING

SN: 10554-UP

1шт.

11

04065-07225

RING

SN: 10554-UP

1шт.

12

6114-61-1360

PULLEY

SN: 10554-UP

1шт.

|12

6114-61-1860

PULLEY,(SANDY AND DUSTY SPEC.)

SN: 10554-UP

1шт.

|12

6115-61-1368

PULLEY,(TROPICAL SANDY¤ DUSTY SPEC.)

SN: 10584-UP

1шт.

13

6112-63-1391

NUT

SN: 10554-UP

1шт.

14

6112-63-1370

WASHER

SN: 10554-UP

1шт.

15

6114-61-1320

IMPELLER

SN: 10554-UP

1шт.

16

6610-61-1331

SEAT (K6)

SN: 10554-13262

1шт.

17

6610-61-1512

SEAL¤ WATER (K6)

SN: 13263-UP

1шт.

|17

0

SEAL¤ WATER (K6)

SN: 10554-13262

1шт.

18

6124-61-1320

V-RING (K6)

SN: 10554-UP

1шт.

19

6114-61-1710

SPACER

SN: 10554-UP

1шт.

20

6114-61-1720

GASKET (K6)

SN: 10554-UP

1шт.

21

6110-63-1810

GASKET (K2)

SN: 10554-UP

1шт.

22

01010-31075

BOLT

SN: 10554-UP

2шт.

23

01010-31065

BOLT

SN: 10554-UP

5шт.

24

01010-31050

BOLT

SN: 10554-UP

2шт.

25

01602-01030

WASHER

SN: 10554-UP

9шт.

26

01252-31030

BOLT

SN: 10554-UP

3шт.

27

01641-21016

WASHER

SN: 10554-UP

3шт.

32

600-613-0716

FAN

SN: 10554-UP

1шт.

|32

600-615-0716

FAN,(SUCTION TYPE)(4D130-1D)

SN: 10554-UP

1шт.

33

6112-63-1970

SPACER,(FOR SUCTION FAN)(4D130-1D)

SN: 10554-UP

1шт.

34

01010-31030

BOLT

SN: 10554-UP

6шт.

|34

01010-31065

BOLT,(FOR SUCTION FAN)(4D130-1D)

SN: 10554-UP

6шт.

35

01602-01030

WASHER

SN: 10554-UP

6шт.

Выбрано товаров: 40