Запчасти Komatsu 4D130-1E КОРОМЫСЛО(№8-) ГОЛОВКА ЦИЛИНДРОВ

Схема запчастей Komatsu 4D130-1E - КОРОМЫСЛО(№8-) ГОЛОВКА ЦИЛИНДРОВ
FIT
1:1
100%

Артикул

Название

Примечание

Количество

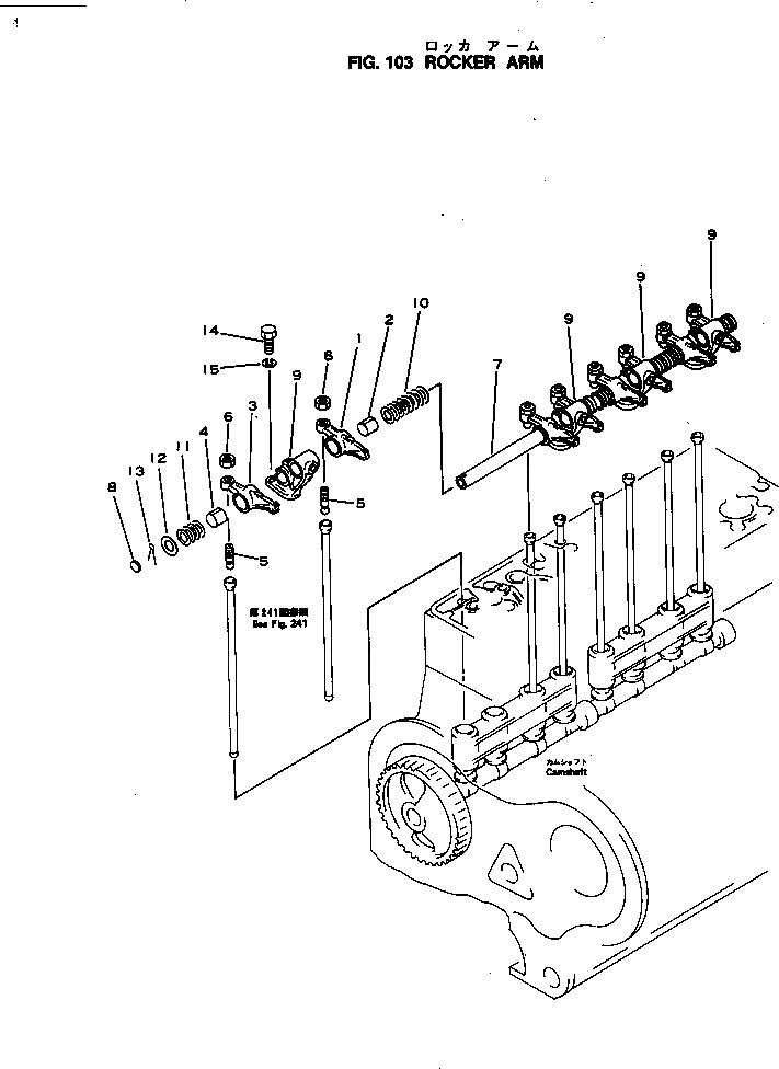
|1

6114-40-5100

ROCKER ARM A.

SN: 10584-UP

2шт.

|1

6110-40-5401

ROCKER ARM A.

SN: 10584-UP

2шт.

1

0

ARM

SN: 10584-UP

1шт.

2

6110-41-5423

BUSHING

SN: 10584-UP

1шт.

|3

6110-40-5501

ROCKER ARM A.

SN: 10584-UP

2шт.

3

0

ARM

SN: 10584-UP

1шт.

4

6110-41-5423

BUSHING

SN: 10584-UP

1шт.

5

6110-43-5430

SCREW

SN: 10584-UP

4шт.

6

6110-41-5440

NUT

SN: 10584-UP

4шт.

|7

6110-40-5200

SHAFT ASS'Y

SN: 10584-UP

2шт.

7

0

SHAFT

SN: 10584-UP

1шт.

8

6110-41-5221

PLUG

SN: 10584-UP

2шт.

9

6110-43-5120

BRACKET

SN: 10584-UP

2шт.

10

6110-41-5320

SPRING

SN: 10584-UP

1шт.

11

6110-41-5330

SPRING

SN: 10584-UP

2шт.

12

6110-41-5310

WASHER

SN: 10584-UP

2шт.

13

04050-04035

PIN (K1)

SN: 10584-UP

2шт.

14

01010-31025

BOLT

SN: 10584-UP

4шт.

15

01602-01030

WASHER

SN: 10584-UP

4шт.

Выбрано товаров: 19