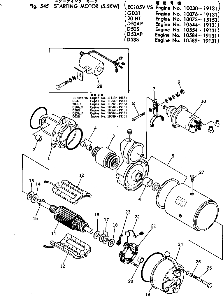
Запчасти Komatsu 4D130-1E СТАРТЕР (.KW)(№8-9) СИСТЕМА ОХЛАЖДЕНИЯ

Схема запчастей Komatsu 4D130-1E - СТАРТЕР (.KW)(№8-9) СИСТЕМА ОХЛАЖДЕНИЯ
FIT
1:1
100%

Артикул

Название

Примечание

Количество

|1

600-813-2392

STARTING MOTOR A.,(5.5KW)

SN: 13481-19131

1шт.

|1

0

STARTING MOTOR A.,(5.5KW)

SN: 10584-13480

1шт.

1

KD1-21300-1951

FRONT BRACKET ASS'Y

SN: 10584-19131

1шт.

2

KD7-21351-0950

METAL

SN: 10584-19131

1шт.

3

KD1-21500-1600

CLUTCH ASS'Y

SN: 10584-19131

1шт.

4

KD7-21351-0250

METAL

SN: 10584-19131

2шт.

5

KD1-21600-1460

CENTER BRACKET A.

SN: 10584-19131

1шт.

6

KD7-21351-0960

METAL

SN: 10584-19131

1шт.

7

KD1-21320-0780

SHIFT LEVER ASS'Y

SN: 10584-19131

1шт.

8

KD1-21303-0300

PIN

SN: 10584-19131

1шт.

9

KD1-09279-0080

NUT

SN: 10584-19131

1шт.

10

KD0-47100-2694

MAGNETIC SWITCH A.

SN: 10584-19131

1шт.

11

KD1-21100-1190

ARMATURE ASS'Y

SN: 10584-19131

1шт.

12

KD7-21230-0080

FIELD COIL ASS'Y

SN: 10584-19131

1шт.

13

KD1-21941-0600

WASHER

SN: 10584-19131

1шт.

14

KD1-21921-1440

WASHER

SN: 10584-19131

1шт.

15

KD1-21181-0310

STOPPER

SN: 10584-19131

1шт.

16

KD1-21921-0660

WASHER

SN: 10584-19131

1шт.

17

KD1-21921-0980

WASHER

SN: 10584-19131

2шт.

18

KD1-21941-0580

WASHER

SN: 10584-19131

1шт.

|19

KD7-21700-0190

REAR BRACKET ASS'Y

SN: 10584-19131

1шт.

19

KD0-21700-1690

REAR BRACKET A.

SN: 10584-19131

1шт.

20

KD7-21351-0950

METAL

SN: 10584-19131

1шт.

21

KD0-21750-1432

BRUSH HOLDER A.

SN: 10584-19131

1шт.

22

KD1-21740-0440

BRUSH

SN: 10584-19131

4шт.

23

KD1-21913-0370

SPRING

SN: 10584-19131

4шт.

24

KD1-21784-1220

BAR

SN: 10584-19131

1шт.

25

KD0-21901-1670

BOLT

SN: 10584-19131

2шт.

26

KD1-31921-0020

WASHER

SN: 10584-19131

2шт.

27

KD1-0060-10182

SCREW

SN: 10584-19131

4шт.

28

KD0-25000-5293

SWITCH ASS'Y

SN: 10584-19131

1шт.

29

KD7-09210-0140

SEAL KIT,(NOT SHOWN)

SN: 10584-19131

1шт.

Выбрано товаров: 32