Запчасти Komatsu 4D130-1G-VS БЛОК ЦИЛИНДРОВ (/) БЛОК ЦИЛИНДРОВ

Схема запчастей Komatsu 4D130-1G-VS - БЛОК ЦИЛИНДРОВ (/) БЛОК ЦИЛИНДРОВ
FIT
1:1
100%

Артикул

Название

Примечание

Количество

|$0

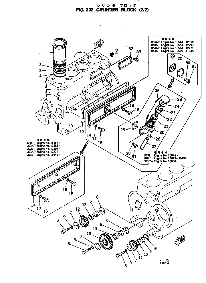
6115-20-1002

CYLINDER BLOCK A.

SN: 10841-UP

1шт.

|$1

0

CYLINDER BLOCK A.

SN: 10490-10840

1шт.

|$2

0

CYLINDER BLOCK A.

SN: 10260-10489

1шт.

|$3

0

CYLINDER BLOCK A.

SN: 10030-10259

1шт.

|$4

0

CYLINDER BLOCK A.

SN: (10030-10066)

1шт.

1

6115-21-2211

LINER

SN: 10841-UP

4шт.

1

0

LINER

SN: 10490-10840

4шт.

1

0

LINER

SN: 10030-10489

4шт.

1

0

LINER

SN: (10030-10066)

4шт.

2

6610-21-2240

SEAL (K2)

SN: 10030-UP

4шт.

3

6610-21-2221

O-RING (K2)

SN: 10030-UP

4шт.

4

6610-21-2250

O-RING (K2)

SN: 10030-UP

4шт.

5

6110-23-2311

SHAFT

SN: 10030-UP

3шт.

6

6110-23-2320

PLATE

SN: 10030-UP

3шт.

7

6110-23-2340

PLATE

SN: 10030-UP

3шт.

8

6114-21-2330

BOLT

SN: 10030-UP

6шт.

9

01643-31232

WASHER

SN: 10030-UP

6шт.

|$17

6112-33-6300

GEAR ASS'Y,CENTER

SN: 10030-UP

1шт.

|$18

6112-33-6400

GEAR ASS'Y,L.H.

SN: 10030-UP

1шт.

|$19

6112-33-6500

GEAR ASS'Y,R.H.

SN: 10030-UP

1шт.

10

0

GEAR,CENTER

SN: 10030-UP

1шт.

11

0

GEAR,L.H.

SN: 10030-UP

1шт.

12

0

GEAR,R.H.

SN: 10030-UP

1шт.

13

6110-33-6120

BUSHING

SN: 10030-UP

1шт.

14

6110-23-6611

COVER

SN: 10030-UP

1шт.

15

6110-21-6621

GASKET (K2)

SN: 10030-UP

1шт.

16

01010-30814

BOLT

SN: 10030-UP

23шт.

17

6110-21-6630

WASHER

SN: 10030-UP

23шт.

18

01010-30818

BOLT

SN: 10030-UP

1шт.

19

01602-00825

WASHER

SN: 10030-UP

1шт.

|$30

6112-21-7000

BREATHER ASS'Y

SN: 10030-UP

1шт.

20

6112-21-7110

FILLER

SN: 10030-UP

1шт.

21

6110-23-7120

ELEMENT

SN: 10030-UP

1шт.

22

6110-23-7190

STRAINER

SN: 10030-UP

1шт.

23

6110-23-7140

CAP

SN: 10030-UP

1шт.

24

6110-23-7180

GASKET (K2)

SN: 10030-UP

1шт.

25

6110-23-7130

RING

SN: 10030-UP

1шт.

26

6110-23-7170

CHAIN

SN: 10030-UP

1шт.

27

6114-25-7210

HOSE

SN: 10030-UP

1шт.

28

07280-03826

CLAMP

SN: 10030-UP

1шт.

29

6110-21-7820

GASKET (K2)

SN: 10030-UP

1шт.

30

01602-01030

WASHER

SN: 10030-UP

4шт.

31

01582-01008

NUT

SN: 10030-UP

4шт.

32

6114-81-2110

PLATE, NAME,(LIMITED SUPPLY)

SN: 10030-UP

1шт.

33

04418-03060

SCREW

SN: 10030-UP

4шт.

Выбрано товаров: 0