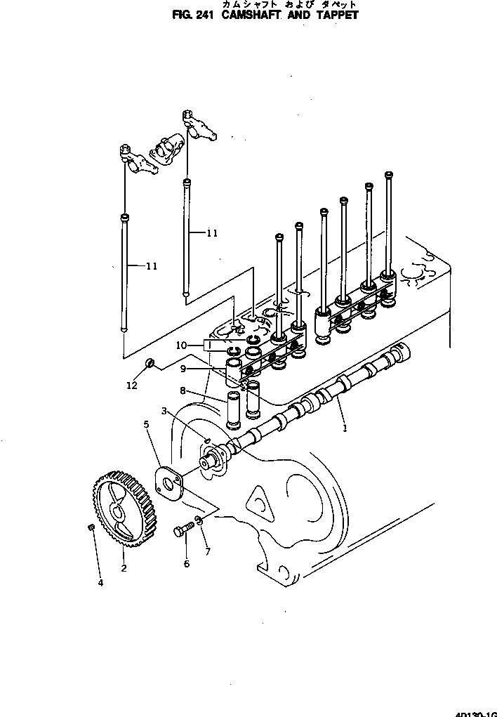
Запчасти Komatsu 4D130-1G-VS РАСПРЕДВАЛ И ТОЛКАТЕЛЬ БЛОК ЦИЛИНДРОВ

Схема запчастей Komatsu 4D130-1G-VS - РАСПРЕДВАЛ И ТОЛКАТЕЛЬ БЛОК ЦИЛИНДРОВ
FIT
1:1
100%

Артикул

Название

Примечание

Количество

|$0

6114-41-1100

CAMSHAFT ASS'Y

SN: 10030-UP

1шт.

1

0

CAMSHAFT

SN: 10030-UP

1шт.

2

6114-41-1120

GEAR

SN: 10030-UP

1шт.

3

04010-00728

KEY

SN: 10030-UP

1шт.

4

07043-00108

PLUG

SN: 10030-UP

1шт.

5

6110-43-1130

PLATE

SN: 10030-UP

1шт.

6

01010-31225

BOLT

SN: 10030-UP

2шт.

7

01602-01236

WASHER

SN: 10030-UP

2шт.

8

6110-43-2110

TAPPET

SN: 10030-UP

8шт.

9

6114-41-2210

GUIDE

SN: 10030-UP

2шт.

10

6110-41-2120

RING

SN: 10030-UP

8шт.

11

6110-43-3110

ROD

SN: 10030-UP

8шт.

12

6110-21-1130

SPACER,(SEE FIG.201)

SN: 10030-UP

4шт.

Выбрано товаров: 13