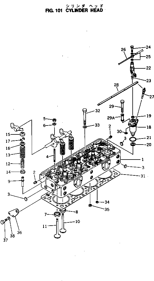
Запчасти Komatsu 4D130-1G-VS ГОЛОВКА ЦИЛИНДРОВ ГОЛОВКА ЦИЛИНДРОВ

Схема запчастей Komatsu 4D130-1G-VS - ГОЛОВКА ЦИЛИНДРОВ ГОЛОВКА ЦИЛИНДРОВ
FIT
1:1
100%

Артикул

Название

Примечание

Количество

|$0

6114-10-1000

CYLINDER HEAD A.

SN: 10030-UP

1шт.

|$1

6114-11-1100

CYLINDER HEAD A.

SN: 10030-UP

1шт.

1

0

HEAD

SN: 10030-UP

1шт.

2

07043-00108

PLUG

SN: 10030-UP

2шт.

3

07046-42816

PLUG

SN: 10030-UP

28шт.

4

6110-11-1151

STUD

SN: 10030-UP

4шт.

5

01580-01008

NUT

SN: 10030-UP

4шт.

6

01643-31032

WASHER

SN: 10030-UP

4шт.

7

6110-13-1171

SEAT,EXHAUST (STD)

SN: 10030-UP

4шт.

7

6110-19-1171

SEAT, 0.25MM,EXHAUST (OS)

SN: 10030-UP

4шт.

7

6110-18-1171

SEAT, 0.50MM,EXHAUST (OS)

SN: 10030-UP

4шт.

8

6114-11-1180

SEAT,INTAKE (STD)

SN: 10030-UP

4шт.

8

6114-19-1180

SEAT, 0.25MM,INTAKE (OS)

SN: 10030-UP

4шт.

8

6114-18-1180

SEAT, 0.50MM,INTAKE (OS)

SN: 10030-UP

4шт.

9

6110-13-1311

GUIDE

SN: 10030-UP

8шт.

10

6114-41-4110

VALVE,INTAKE

SN: 10030-UP

4шт.

11

6114-41-4210

VALVE,EXHAUST

SN: 10030-UP

4шт.

12

6112-43-4410

SPRING

SN: 10030-UP

8шт.

13

6112-43-4420

SPRING

SN: 10030-UP

8шт.

14

6110-43-4531

SEAT

SN: 10030-UP

8шт.

15

6110-41-4540

CAP

SN: 10030-UP

8шт.

|$21

6114-40-4500

VALVE COTTER ASS'Y

SN: 10030-UP

8шт.

16

0

SEAT

SN: 10030-UP

1шт.

17

0

COTTER

SN: 10030-UP

2шт.

|$24

6112-13-2103

CHAMBER ASS'Y

SN: 10030-UP

4шт.

18

0

CHAMBER

SN: 10030-UP

1шт.

19

6110-11-2122

GASKET

SN: 10030-UP

1шт.

20

6110-13-2813

GASKET (K1)

SN: 10030-UP

4шт.

21

6110-11-2820

O-RING (K1)

SN: 10030-UP

4шт.

|$29

6114-11-3100

NOZZLE HOLDER A.

SN: 10030-UP

4шт.

22

6114-11-3110

HOLDER

SN: 10030-UP

1шт.

23

6114-11-3120

NOZZLE

SN: 10030-UP

1шт.

24

6110-13-3150

BOLT

SN: 10030-UP

1шт.

25

07005-00812

GASKET (K1)

SN: 10030-UP

2шт.

26

6112-73-5310

PIPE,(SEE FIG.402)

SN: 10030-UP

1шт.

27

0

PLUG

SN: 10030-UP

4шт.

|$$37

(600-815-2660(4),600-815-3710)

-1шт.

28

6110-83-4110

WIRE

SN: 10030-UP

1шт.

29

6115-11-2130

BOLT

SN: 22403-UP

8шт.

29

0

BOLT

SN: 10030-22402

8шт.

|$$41

(6115-11-2130,6115-11-2140)

-1шт.

29A

6115-11-2140

SPACER

SN: 22403-UP

8шт.

30

6114-11-1820

GROMMET (K1)

SN: 10030-UP

8шт.

31

6114-11-1810

GASKET (K1)

SN: 10030-UP

1шт.

32

6110-13-1612

BOLT

SN: 10030-UP

26шт.

33

6110-11-1620

WASHER

SN: 10030-UP

26шт.

34

6114-21-2710

FERRULE (K1)

SN: 10030-UP

10шт.

35

6114-21-2720

FERRULE (K1)

SN: 10030-UP

16шт.

36

6114-11-9110

HANGER

SN: 10030-UP

1шт.

37

01010-31225

BOLT

SN: 10030-UP

2шт.

38

01602-01236

WASHER

SN: 10030-UP

2шт.

Выбрано товаров: 51