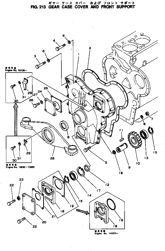
Запчасти Komatsu 4D130-1G-VS КОРПУС ШЕСТЕРЕНН. ПЕРЕДАЧИ КРЫШКАAND ПЕРЕДН. СУППОРТ БЛОК ЦИЛИНДРОВ

Схема запчастей Komatsu 4D130-1G-VS - КОРПУС ШЕСТЕРЕНН. ПЕРЕДАЧИ КРЫШКАAND ПЕРЕДН. СУППОРТ БЛОК ЦИЛИНДРОВ
FIT
1:1
100%

Артикул

Название

Примечание

Количество

1

6114-21-3113

COVER

SN: .-UP

1шт.

|1

0

COVER

SN: 10100-.

1шт.

|1

6110-23-3110

COVER

SN: 10030-10099

1шт.

2

6110-23-3810

GASKET (K2)

SN: 10030-UP

1шт.

3

01011-31015

BOLT

SN: 10030-UP

1шт.

4

01010-31075

BOLT

SN: 10030-UP

15шт.

5

01050-31040

BOLT

SN: 10030-UP

8шт.

6

01602-01030

WASHER

SN: 10030-UP

24шт.

7

01582-01008

NUT

SN: 10030-UP

8шт.

8

07012-00075

SEAL,FRONT (K2)

SN: 10030-UP

1шт.

9

6114-81-5210

SHAFT

SN: 10030-UP

1шт.

10

6114-81-5110

GEAR

SN: 10030-UP

1шт.

11

04000-01545

KEY

SN: 10030-UP

1шт.

12

6110-83-5310

SPACER

SN: 10030-UP

1шт.

13

06000-06210

BEARING

SN: 10030-UP

1шт.

14

06001-06210

BEARING

SN: 10030-UP

1шт.

15

04064-05020

RING

SN: 10030-UP

2шт.

16

04065-02212

RING

SN: 10030-UP

1шт.

17

04065-09030

RING

SN: 10030-UP

1шт.

18

6114-21-6750

SPACER

SN: 14037-UP

1шт.

|18

6114-21-6720

SPACER

SN: 10100-14036

1шт.

|18

6110-23-3211

SPACER

SN: 10030-10099

1шт.

19

07000-02110

O-RING (K2)

SN: 14037-UP

1шт.

|19

6114-21-6710

GASKET (K2)

SN: 10100-14036

2шт.

|19

6110-23-3830

GASKET (K2)

SN: 10030-10099

1шт.

20

6114-21-6742

COVER

SN: .-UP

1шт.

|20

0

COVER

SN: 10100-.

1шт.

|20

6110-23-6731

COVER

SN: 10030-10099

1шт.

21

6114-21-6730

GASKET (K2)

SN: 10100-UP

1шт.

|21

6110-23-6740

GASKET (K2)

SN: 10030-10099

1шт.

22

6110-23-3610

BOLT

SN: 10030-UP

4шт.

23

07005-01212

GASKET (K2)

SN: 10030-UP

2шт.

24

6112-21-6711

COVER

SN: 10030-UP

1шт.

25

6110-23-6720

GASKET (K2)

SN: 10030-UP

1шт.

26

01010-31240

BOLT

SN: 10030-UP

4шт.

27

01602-01236

WASHER

SN: 10030-UP

4шт.

28

6114-25-3710

SUPPORT

SN: 10030-UP

1шт.

29

6114-21-3721

POINTER

SN: 10100-UP

1шт.

|29

6114-21-3720

POINTER

SN: 10030-10099

1шт.

30

01010-31020

BOLT

SN: 10100-UP

2шт.

|30

01010-30612

BOLT

SN: 10030-10099

2шт.

31

01602-01030

WASHER

SN: 10100-UP

2шт.

|31

01602-00619

WASHER

SN: 10030-10099

2шт.

Выбрано товаров: 43