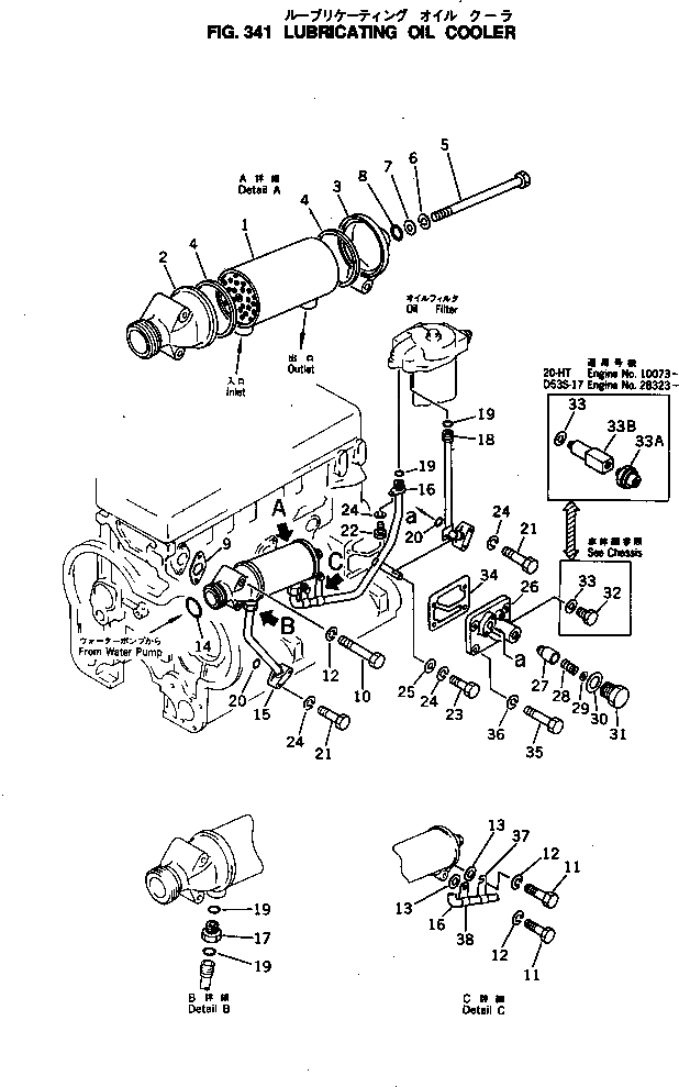
Запчасти Komatsu 4D130-1G-VS СИСТЕМА СМАЗКИ МАСЛООХЛАДИТЕЛЬ СИСТЕМА СМАЗКИ МАСЛ. СИСТЕМА

Схема запчастей Komatsu 4D130-1G-VS - СИСТЕМА СМАЗКИ МАСЛООХЛАДИТЕЛЬ СИСТЕМА СМАЗКИ МАСЛ. СИСТЕМА
FIT
1:1
100%

Артикул

Название

Примечание

Количество

|1

6114-61-2100

OIL COOLER ASS'Y

SN: 10030-UP

1шт.

1

6110-63-2110

ELEMENT

SN: 10030-UP

1шт.

2

6114-61-2120

COVER

SN: 10030-UP

1шт.

3

6110-63-2130

COVER

SN: 10030-UP

1шт.

4

6110-63-2180

GASKET

SN: 10030-UP

2шт.

5

6110-63-2160

BOLT

SN: 10030-UP

1шт.

6

01602-01030

WASHER

SN: 10030-UP

1шт.

7

01640-21016

WASHER

SN: 10030-UP

1шт.

8

07000-02010

O-RING

SN: 10030-UP

1шт.

9

6110-63-2810

GASKET (K2)

SN: 10030-UP

2шт.

10

01010-31085

BOLT

SN: 10030-UP

2шт.

11

01010-31050

BOLT

SN: 10030-UP

2шт.

12

01602-01030

WASHER

SN: 10030-UP

4шт.

13

01640-21016

WASHER

SN: 10030-UP

2шт.

14

07000-05055

O-RING (K2)

SN: 10030-UP

1шт.

15

6110-53-7111

PIPE

SN: 10030-UP

1шт.

16

6114-51-7111

PIPE

SN: 11826-UP

1шт.

|16

0

PIPE

SN: 10030-11825

1шт.

17

6110-53-7312

CONNECTOR

SN: 10030-UP

2шт.

18

6114-51-7120

PIPE

SN: 10030-UP

1шт.

19

07000-63017

O-RING (K2)

SN: 10030-UP

6шт.

20

07000-63028

O-RING (K2)

SN: 10030-UP

2шт.

21

01010-30845

BOLT

SN: 10030-UP

4шт.

22

01010-30825

BOLT

SN: 10030-UP

1шт.

23

01010-30820

BOLT

SN: 10030-UP

1шт.

24

01602-00825

WASHER

SN: 10030-UP

6шт.

25

01640-20816

WASHER

SN: 10030-UP

1шт.

|26

6114-51-5201

COVER ASS'Y

SN: 10484-UP

1шт.

|26

6114-51-5200

COVER ASS'Y

SN: 10030-10483

1шт.

26

6114-51-5211

COVER

SN: 10484-UP

1шт.

|26

6114-51-5210

COVER

SN: 10030-10483

1шт.

27

6120-51-5411

VALVE

SN: 10030-UP

1шт.

28

6110-51-5450

SPRING

SN: 10030-UP

1шт.

29

6110-51-5550

SPACER

SN: 10030-UP

1шт.

30

6110-51-5440

GASKET

SN: 10030-UP

1шт.

31

6110-53-5230

PLUG

SN: 10030-UP

1шт.

32

6110-51-5910

PLUG

SN: 10030-UP

1шт.

33

07005-01012

GASKET

SN: 10030-UP

1шт.

34

6114-51-5811

GASKET (K2)

SN: 10030-UP

1шт.

|34

0

GASKET

SN: (10030-10052)

1шт.

35

01010-31235

BOLT

SN: 10030-UP

4шт.

36

01602-01236

WASHER

SN: 10030-UP

4шт.

37

6110-53-7332

CLAMP

SN: 10030-UP

1шт.

38

6114-51-7330

CLAMP

SN: 10030-11825

1шт.

Выбрано товаров: 44