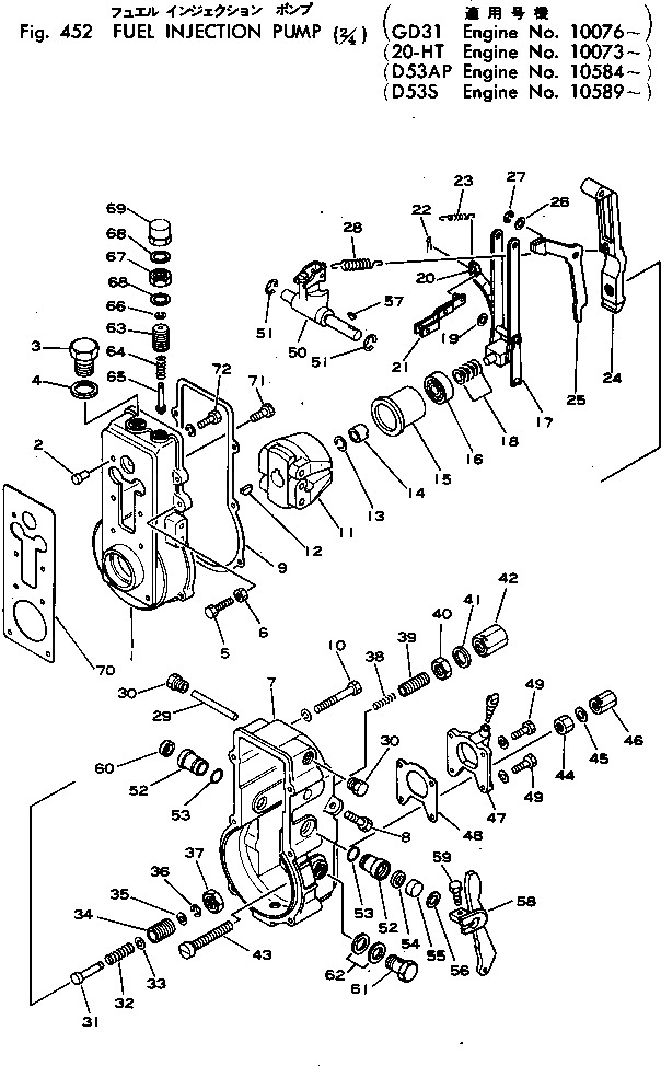
Запчасти Komatsu 4D130-1H ТОПЛ. НАСОС СИСТЕМА СМАЗКИ МАСЛОПРОВОДЯЩАЯ ЛИНИЯ ТОПЛИВН. СИСТЕМА

Схема запчастей Komatsu 4D130-1H - ТОПЛ. НАСОС СИСТЕМА СМАЗКИ МАСЛОПРОВОДЯЩАЯ ЛИНИЯ ТОПЛИВН. СИСТЕМА
FIT
1:1
100%

Артикул

Название

Примечание

Количество

1

6114-51-7130

PIPE

SN: 01001-UP

1шт.

2

07206-10610

BOLT

SN: 01001-UP

1шт.

3

07005-01012

GASKET (K2)

SN: 01001-UP

2шт.

4

6114-51-7140

PIPE

SN: 01001-UP

1шт.

5

07206-10812

BOLT

SN: 01001-UP

1шт.

6

07005-01212

GASKET (K2)

2шт.

7

6110-23-5331

BRACKET

1шт.

8

6114-51-7340

CLAMP

1шт.

9

01010-30816

BOLT

1шт.

10

01602-00825

WASHER

1шт.

Выбрано товаров: 10