Запчасти Komatsu 4D84-2GA ТОПЛ. НАСОС И ТРУБЫ ТОПЛИВН. СИСТЕМА

Схема запчастей Komatsu 4D84-2GA - ТОПЛ. НАСОС И ТРУБЫ ТОПЛИВН. СИСТЕМА
FIT
1:1
100%

Артикул

Название

Примечание

Количество

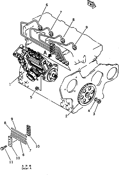
1

YM729436-51360

INJECTION PUMP A.,(SEE FIG.0451)

SN: 04595-UP

1шт.

2

YM129150-25900

GEAR

SN: 04595-UP

1шт.

3

YM26716-120002

NUT

SN: 04595-UP

1шт.

4

YM22217-120000

WASHER,SPRING

SN: 04595-UP

1шт.

5

YM26366-080002

NUT

SN: 04595-UP

3шт.

6

YM129400-59910

TUBE,INJECTION¤ NO.1

SN: 04595-UP

1шт.

7

YM129400-59920

TUBE,INJECTION¤ NO.2

SN: 04595-UP

1шт.

8

YM129400-59930

TUBE,INJECTION¤ NO.3

SN: 04595-UP

1шт.

9

YM129400-59940

TUBE,INJECTION¤ NO.4

SN: 04595-UP

1шт.

10

YM129550-59120

CLAMP ASS'Y

SN: 04595-UP

1шт.

11

YM129150-59130

BOLT

SN: 04595-UP

2шт.

Выбрано товаров: 11