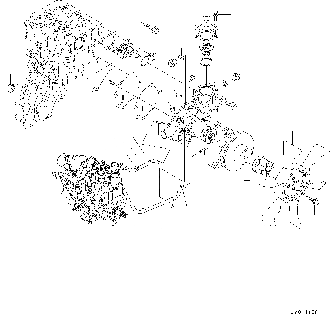
Запчасти Komatsu 4D88-6 ДВИГАТЕЛЬ, ВОДЯНАЯ ПОМПА (№-) ДВИГАТЕЛЬ

Схема запчастей Komatsu 4D88-6 - ДВИГАТЕЛЬ, ВОДЯНАЯ ПОМПА (№-) ДВИГАТЕЛЬ
1
5
6
7
8
13
14
17
18
19
23
24
25
26
27
29
30
6
29
30
28
2
3
4
9
10
11
12
15
16
31
32
33
34
35
33
35
5
20
21
22
1
5
6
7
8
13
14
17
18
19
23
24
25
26
27
29
30
6
29
30
28
2
3
4
9
10
11
12
15
16
31
32
33
34
35
33
35
5
20
21
22
FIT
1:1
100%

Артикул

Название

Примечание

Количество

1

YM129004-42001

Water Pump Assembly

SN: 16615-UP

1шт.

2

YM129100-42051

Gasket

SN: 16615-UP

1шт.

3

YM129100-42121

Plate

SN: 16615-UP

1шт.

4

YM121850-42410

Screw

SN: 16615-UP

3шт.

5

YM119802-49113

Joint

SN: 16615-UP

2шт.

6

YM129916-49740

Plug

SN: 16615-UP

2шт.

7

YM23876-010000

Plug, Tapered

SN: 16615-UP

1шт.

8

YM23876-020000

Plug, Tapered

SN: 16615-UP

1шт.

9

YM129486-42021

Gasket

SN: 16615-UP

1шт.

10

YM129004-42040

Joint

SN: 16615-UP

1шт.

11

YM129486-42140

O-ring

SN: 16615-UP

1шт.

12

YM124395-49840

Gasket

SN: 16615-UP

1шт.

13

YM23414-080000

Gasket

SN: 16615-UP

1шт.

14

YM26106-080122

Bolt, Flanged

SN: 16615-UP

1шт.

15

YM26106-080162

Bolt, Flanged

SN: 16615-UP

3шт.

16

YM26106-080452

Bolt, Flanged

SN: 16615-UP

1шт.

17

YM26106-080602

Bolt, Flanged

SN: 16615-UP

3шт.

18

YM129556-42350

Pulley, 96mm

SN: 16615-UP

1шт.

19

YM129044-42290

V-belt

SN: 16615-UP

1шт.

20

YM129030-44760

Spacer

SN: 16615-UP

1шт.

21

YM26106-060602

Bolt, Flanged

SN: 16615-UP

4шт.

22

YM129612-44700

Fan, Cooling

SN: 16615-UP

1шт.

23

YM129457-49801

Thermostat

SN: 16615-UP

1шт.

24

YM129150-49811

Gasket

SN: 16615-UP

1шт.

25

YM129350-49530

Cover

SN: 16615-UP

1шт.

26

YM129795-49551

Gasket

SN: 16615-UP

1шт.

27

YM26106-080222

Bolt, Flanged

SN: 16615-UP

2шт.

28

YM171056-49120

Plug

SN: 16615-UP

1шт.

29

YM160769-01690

Plug

SN: 16615-UP

2шт.

30

YM22190-160000

Gasket

SN: 16615-UP

2шт.

30

YM129004-49610

Pipe Assembly

SN: 16615-UP

1шт.

31

YM129004-49711

Pipe

SN: 16615-UP

1шт.

32

YM119802-49730

Clamp

SN: 16615-UP

1шт.

33

YM124722-59050

Clip, Hose

SN: 16615-UP

2шт.

33

YM129004-49620

Pipe Assembly

SN: 16615-UP

1шт.

34

YM129004-49721

Pipe

SN: 16615-UP

1шт.

35

YM124722-59050

Clip, Hose

SN: 16615-UP

2шт.

1

YM129004-42001

Water Pump Assembly

SN: 16615-UP

1шт.

2

YM129100-42051

Gasket

SN: 16615-UP

1шт.

3

YM129100-42121

Plate

SN: 16615-UP

1шт.

4

YM121850-42410

Screw

SN: 16615-UP

3шт.

5

YM119802-49113

Joint

SN: 16615-UP

2шт.

6

YM129916-49740

Plug

SN: 16615-UP

2шт.

7

YM23876-010000

Plug, Tapered

SN: 16615-UP

1шт.

8

YM23876-020000

Plug, Tapered

SN: 16615-UP

1шт.

9

YM129486-42021

Gasket

SN: 16615-UP

1шт.

10

YM129004-42040

Joint

SN: 16615-UP

1шт.

11

YM129486-42140

O-ring

SN: 16615-UP

1шт.

12

YM124395-49840

Gasket

SN: 16615-UP

1шт.

13

YM23414-080000

Gasket

SN: 16615-UP

1шт.

14

YM26106-080122

Bolt, Flanged

SN: 16615-UP

1шт.

15

YM26106-080162

Bolt, Flanged

SN: 16615-UP

3шт.

16

YM26106-080452

Bolt, Flanged

SN: 16615-UP

1шт.

17

YM26106-080602

Bolt, Flanged

SN: 16615-UP

3шт.

18

YM129556-42350

Pulley, 96mm

SN: 16615-UP

1шт.

19

YM129044-42290

V-belt

SN: 16615-UP

1шт.

20

YM129030-44760

Spacer

SN: 16615-UP

1шт.

21

YM26106-060602

Bolt, Flanged

SN: 16615-UP

4шт.

22

YM129612-44700

Fan, Cooling

SN: 16615-UP

1шт.

23

YM129457-49801

Thermostat

SN: 16615-UP

1шт.

24

YM129150-49811

Gasket

SN: 16615-UP

1шт.

25

YM129350-49530

Cover

SN: 16615-UP

1шт.

26

YM129795-49551

Gasket

SN: 16615-UP

1шт.

27

YM26106-080222

Bolt, Flanged

SN: 16615-UP

2шт.

28

YM171056-49120

Plug

SN: 16615-UP

1шт.

29

YM160769-01690

Plug

SN: 16615-UP

2шт.

30

YM22190-160000

Gasket

SN: 16615-UP

2шт.

30

YM129004-49610

Pipe Assembly

SN: 16615-UP

1шт.

31

YM129004-49711

Pipe

SN: 16615-UP

1шт.

32

YM119802-49730

Clamp

SN: 16615-UP

1шт.

33

YM124722-59050

Clip, Hose

SN: 16615-UP

2шт.

33

YM129004-49620

Pipe Assembly

SN: 16615-UP

1шт.

34

YM129004-49721

Pipe

SN: 16615-UP

1шт.

35

YM124722-59050

Clip, Hose

SN: 16615-UP

2шт.

Выбрано товаров: 74