Запчасти Komatsu 4D88E-3A БЛОК ЦИЛИНДРОВ АКСЕССУАРЫ ДВИГАТЕЛЬ

Схема запчастей Komatsu 4D88E-3A - БЛОК ЦИЛИНДРОВ АКСЕССУАРЫ ДВИГАТЕЛЬ
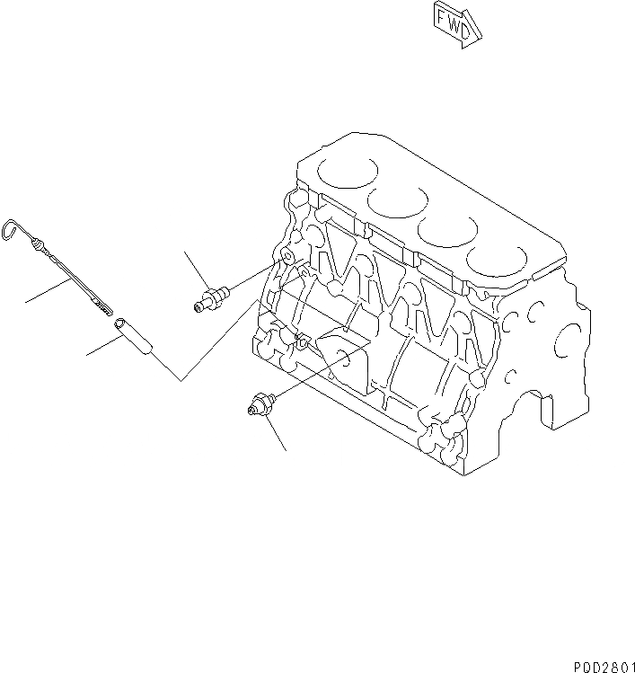
1
2
3
4
FIT
1:1
100%

Артикул

Название

Примечание

Количество

1

YM121520-34810

GUIDE,OIL GAUGE

SN: 00101-UP

1шт.

2

YM129430-34800

GAUGE,OIL

SN: 00101-UP

1шт.

3

YM124160-39450

SWITCH,OIL PRESSURE

SN: 00101-UP

1шт.

4

YM121550-49111

JOINT

SN: 00101-UP

1шт.

Выбрано товаров: 4