Запчасти Komatsu 4D88E-3GB ТОПЛ. НАСОС (РЕГУЛЯТОР) (/) (ВНУТР. ЧАСТИ)(№7-) ДВИГАТЕЛЬ

Схема запчастей Komatsu 4D88E-3GB - ТОПЛ. НАСОС (РЕГУЛЯТОР) (/) (ВНУТР. ЧАСТИ)(№7-) ДВИГАТЕЛЬ
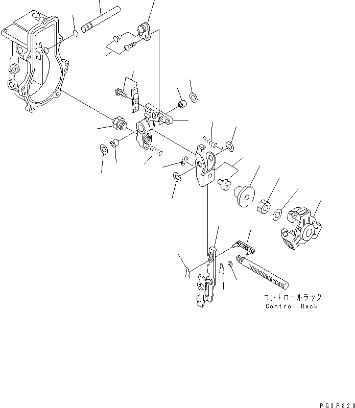
1
2
3
4
5
5
6
7
7
7
7
7
7
7
7
7
8
8
9
10
11
12
12
13
14
15
FIT
1:1
100%

Артикул

Название

Примечание

Количество

|1

YM729611-51450

INJECTION PUMP ASS'Y

SN: 17626-UP

1шт.

|$$2

THIS ASSEMBLY CONSISTS OF ALL PARTS SHOWN IN FIGS.A4010-B0A9 TO A4010-E0A9.

-1шт.

1

YM129155-51280

O-RING

SN: 17626-UP

1шт.

2

YM129155-61120

LINK¤ L=30.0,(MARK 0)

SN: 17626-UP

1шт.

|2

YM129155-61130

LINK¤ L=31.0,(MARK 1)

SN: 17626-UP

1шт.

|2

YM129155-61140

LINK¤ L=30.5,(MARK 05)

SN: 17626-UP

1шт.

3

YM129486-61201

WEIGHT ASS'Y

SN: 17626-UP

1шт.

4

YM129155-61341

SLEEVE¤ L=25.5

SN: 17626-UP

1шт.

|4

YM129155-61350

SLEEVE¤ L=24.9,(FOR ADJUST)

SN: 17626-UP

1шт.

|4

YM129155-61360

SLEEVE¤ L=25.2,(FOR ADJUST)

SN: 17626-UP

1шт.

5

YM129155-61480

SPACER

SN: 17626-UP

2шт.

6

YM129052-61390

SHAFT

SN: 17626-UP

1шт.

7

YM119908-61501

LEVER ASS'Y

SN: 17626-UP

1шт.

8

YM174307-51700

SHIM ASS'Y

SN: 17626-UP

2шт.

9

YM129486-61540

SPRING

SN: 17626-UP

1шт.

10

YM22117-040000

WASHER

SN: 17626-UP

1шт.

11

YM22287-120000

WASHER

SN: 17626-UP

1шт.

12

YM22372-040000

PIN

SN: 17626-UP

2шт.

13

YM26776-120002

NUT

SN: 17626-UP

1шт.

14

YM171353-61550

ANGLEICH ASS'Y

SN: 17626-UP

1шт.

15

YM129100-61650

SPRING,FUEL CONTROL

SN: 17626-UP

1шт.

Выбрано товаров: 21