Запчасти Komatsu 4D88E-3H-MX ТОПЛ. НАСОС (РЕГУЛЯТОР) (/) (ВНУТР. ЧАСТИ)(№9-) ДВИГАТЕЛЬ

Схема запчастей Komatsu 4D88E-3H-MX - ТОПЛ. НАСОС (РЕГУЛЯТОР) (/) (ВНУТР. ЧАСТИ)(№9-) ДВИГАТЕЛЬ
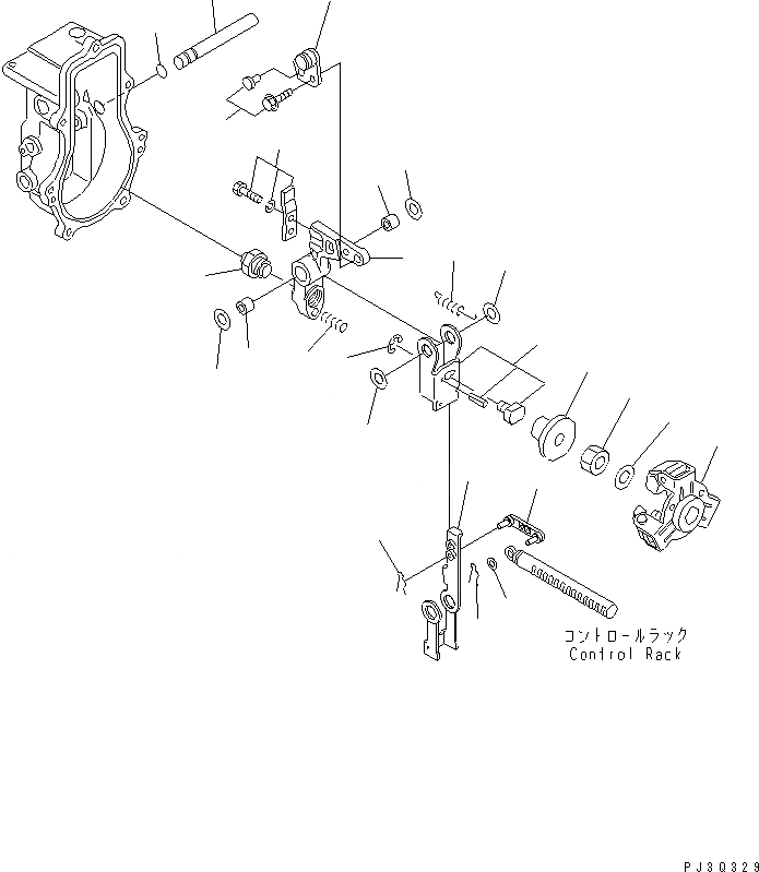
1
2
3
4
5
6
6
7
7
7
7
7
7
7
7
7
8
8
9
10
11
12
12
13
14
15
FIT
1:1
100%

Артикул

Название

Примечание

Количество

|1

453-041

INJECTION PUMP ASS'Y

SN: 19320-UP

1шт.

|$$2

THIS ASSEMBLY CONSISTS OF ALL PARTS SHOWN IN FIGS.A4010-B0B1 TO A4010-E0B1.

-1шт.

1

453-659

O-RING

SN: 19320-UP

1шт.

2

453-219

LINK¤ L=30.0,(MARK 0)

SN: 19320-UP

1шт.

|2

453-220

LINK¤ L=31.0,(MARK 1)

SN: 19320-UP

1шт.

|2

453-221

LINK¤ L=30.5,(MARK 05)

SN: 19320-UP

1шт.

3

454-821

WEIGHT ASS'Y

SN: 19320-UP

1шт.

4

457-483

SLEEVE¤ L=25.5

SN: 19320-UP

1шт.

|4

457-484

SLEEVE¤ L=24.9,(FOR ADJUST)

SN: 19320-UP

1шт.

|4

457-485

SLEEVE¤ L=25.2,(FOR ADJUST)

SN: 19320-UP

1шт.

5

456-276

SHAFT

SN: 19320-UP

1шт.

6

455-194

SPACER

SN: 19320-UP

2шт.

7

453-188

LEVER ASS'Y

SN: 19320-UP

1шт.

8

457-441

SHIM ASS'Y

SN: 19320-UP

2шт.

9

453-851

SPRING

SN: 19320-UP

1шт.

10

455-196

WASHER

SN: 19320-UP

1шт.

11

455-210

WASHER

SN: 19320-UP

1шт.

12

454-276

PIN

SN: 19320-UP

2шт.

13

454-999

NUT

SN: 19320-UP

1шт.

14

453-843

SPRING,FUEL CONTROL

SN: 19320-UP

1шт.

15

450-039

ANGLEICH ASS'Y

SN: 19320-UP

1шт.

Выбрано товаров: 21