Запчасти Komatsu 4D88E-3H ТОПЛИВН. ФИЛЬТР. И ТРУБЫ(№9-) ДВИГАТЕЛЬ

Схема запчастей Komatsu 4D88E-3H - ТОПЛИВН. ФИЛЬТР. И ТРУБЫ(№9-) ДВИГАТЕЛЬ
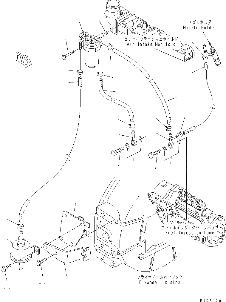
1
2
2
3
4
5
6
6
7
8
9
10
10
11
12
13
14
15
15
16
17
18
19
20
21
22
FIT
1:1
100%

Артикул

Название

Примечание

Количество

|1

YM119840-59500

HOSE ASS'Y

SN: 19320-UP

1шт.

1

YM119840-59560

HOSE,FUEL RETURN

SN: 19320-UP

1шт.

2

YM124066-59100

CLAMP

SN: 19320-UP

2шт.

3

YM119840-59570

JOINT

SN: 19320-UP

1шт.

4

YM129100-59951

CHECK VALVE ASS'Y

SN: 19320-UP

1шт.

5

YM22190-120002

SEAL (KIT)

SN: 19320-UP

2шт.

6

YM129612-59050

CLAMP

SN: 19320-UP

2шт.

7

YM129612-59520

HOSE

SN: 19320-UP

1шт.

8

YM103854-39140

BOLT,JOINT

SN: 19320-UP

1шт.

9

YM101304-59020

JOINT

SN: 19320-UP

1шт.

10

YM129612-59050

CLAMP

SN: 19320-UP

2шт.

11

YM22190-120002

SEAL (KIT)

SN: 19320-UP

2шт.

12

YM129555-59510

HOSE

SN: 19320-UP

1шт.

13

YM129612-59530

HOSE

SN: 19320-UP

1шт.

14

YM129612-52100

FEED PUMP ASS'Y

SN: 19320-UP

1шт.

15

YM129612-59050

CLAMP

SN: 19320-UP

2шт.

16

YM106500-44810

SPACER

SN: 19320-UP

1шт.

17

YM129612-52110

BRACKET

SN: 19320-UP

1шт.

18

YM129612-66201

BRACKET

SN: 19320-UP

1шт.

19

YM26106-060122

BOLT

SN: 19320-UP

2шт.

20

YM26106-080202

BOLT

SN: 19320-UP

2шт.

21

YM26014-080752

BOLT

SN: 19320-UP

1шт.

22

YM129612-55640

FUEL FILTER ASS'Y,(SEE FIG.A4110-B0A7)

SN: 19320-UP

1шт.

Выбрано товаров: 0