Запчасти Komatsu 4D88E-5X-AC ТОПЛИВН. ФИЛЬТР. И ТРУБЫ(№-) ДВИГАТЕЛЬ

Схема запчастей Komatsu 4D88E-5X-AC - ТОПЛИВН. ФИЛЬТР. И ТРУБЫ(№-) ДВИГАТЕЛЬ
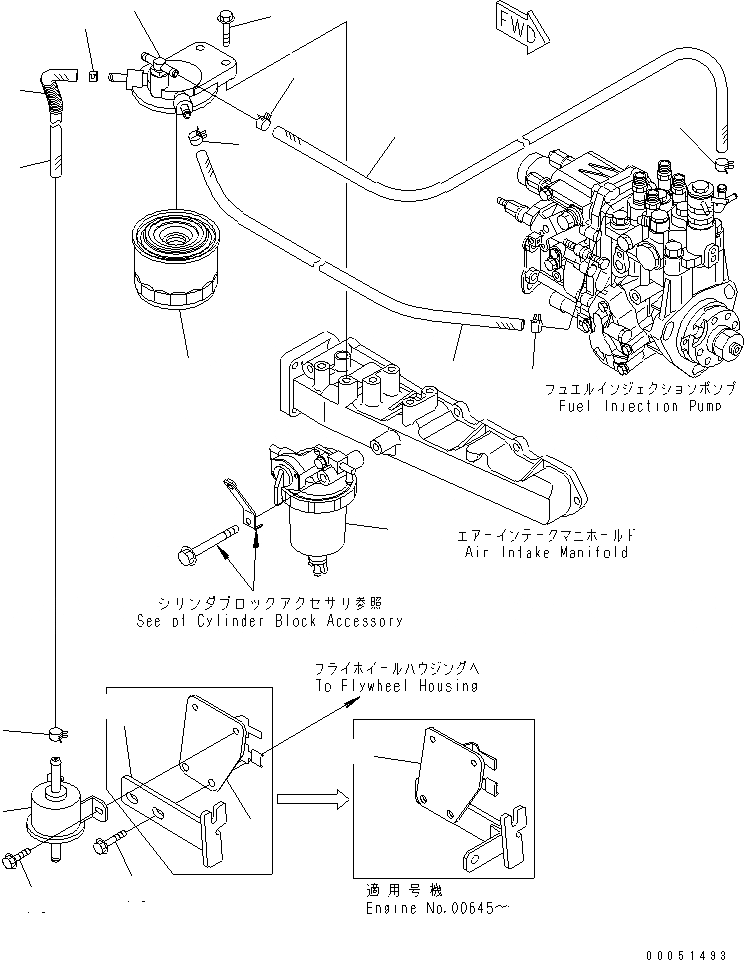
1
2
3
4
4
5
6
6
7
8
9
9
10
11
11
12
13
14
15
16
FIT
1:1
100%

Артикул

Название

Примечание

Количество

1

YM129642-55611

BRACKET

SN: 11908-UP

1шт.

1

YM129642-55610

BRACKET

SN: 00102-11907

1шт.

2

YM119802-55800

CARTRIDGE,FUEL

SN: 00101-UP

1шт.

3

YM26106-080302

BOLT

SN: 00101-UP

2шт.

|$7

YM129210-59090

PIPE ASS'Y

SN: 00101-UP

1шт.

4

YM124766-59050

CLAMP

SN: 00101-UP

2шт.

5

YM105325-59570

HOSE

SN: 00101-UP

1шт.

|$10

YM129210-59150

PIPE ASS'Y

SN: 00101-UP

1шт.

6

YM124766-59050

CLAMP

SN: 00101-UP

2шт.

7

YM105025-59530

HOSE

SN: 00101-UP

1шт.

8

YM129612-52100

FEED PUMP ASS'Y

SN: 00101-UP

1шт.

9

YM129642-52100

BRACKET

SN: 00645-UP

1шт.

9

YM129612-52130

BRACKET

SN: 00101-00644

1шт.

10

YM129642-55700

WATER SEPARATOR A.,(SEE FIG.A4130-A0A1)

SN: 00101-UP

1шт.

11

YM129612-59050

CLAMP

SN: 00102-UP

2шт.

|$18

YM129642-59010

PIPE ASS'Y

SN: 00102-UP

1шт.

12

YM129642-59210

HOSE

SN: 00102-UP

1шт.

13

YM129642-59110

TUBE

SN: 00102-UP

1шт.

14

YM129642-66201

BRACKET

SN: 00109-00644

1шт.

14

YM129642-66200

BRACKET

SN: 00101-00108

1шт.

15

YM26106-060122

BOLT

SN: 00101-UP

2шт.

16

YM26106-080202

BOLT

SN: 00101-UP

2шт.

Выбрано товаров: 22