Запчасти Komatsu 4D88E-5X-BB ПЕРЕДН. COVER(№8-) ДВИГАТЕЛЬ

Схема запчастей Komatsu 4D88E-5X-BB - ПЕРЕДН. COVER(№8-) ДВИГАТЕЛЬ
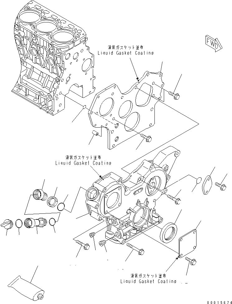
1
2
3
4
5
6
7
8
9
10
11
12
13
13
14
14
15
16
17
18
19
20
21
22
23
FIT
1:1
100%

Артикул

Название

Примечание

Количество

1

YM729240-01500

FRONT COVER ASS'Y

SN: 00648-UP

1шт.

2

YM23876-030000

PLUG

SN: 00648-UP

1шт.

3

YM23876-040000

PLUG

SN: 00648-UP

1шт.

4

YM129795-01800

SEAL¤ FRONT

SN: 00648-UP

1шт.

5

YM119802-01520

FLANGE

SN: 00648-UP

1шт.

6

YM124160-01751

CAP,OIL FILLER

SN: 00648-UP

1шт.

7

YM124240-01871

COVER

SN: 00648-UP

1шт.

8

YM129795-01950

PIPE

SN: 00648-UP

2шт.

9

YM119609-32040

O-RING (KIT)

SN: 00648-UP

4шт.

10

YM129001-91841

BOLT

SN: 00648-UP

3шт.

11

YM24311-000320

O-RING (KIT)

SN: 00648-UP

1шт.

12

YM26106-080162

BOLT

SN: 00648-UP

4шт.

13

YM26106-080162

BOLT

SN: 00648-UP

3шт.

14

YM26106-080552

BOLT

SN: 00648-UP

12шт.

15

YM121023-01550

COVER

SN: 00648-UP

1шт.

16

YM24341-000240

O-RING (KIT)

SN: 00648-UP

1шт.

17

YM26106-060162

BOLT

SN: 00648-UP

2шт.

18

YM121027-11743

FILLER,OIL

SN: 00648-UP

1шт.

19

YM119225-11740

ADAPTER

SN: 00648-UP

1шт.

20

YM119225-11750

NUT

SN: 00648-UP

1шт.

21

YM24311-000300

O-RING (KIT)

SN: 00648-UP

1шт.

22

YM24311-000320

O-RING (KIT)

SN: 00648-UP

1шт.

23

YM977770-01212

LIQUID GASKET

SN: 00648-UP

-2шт.

Выбрано товаров: 23