Запчасти Komatsu 4D88E-6 ДВИГАТЕЛЬ, СИСТЕМА СМАЗКИ МАСЛ. СИСТЕМА (№8-) ДВИГАТЕЛЬ, ОДИНОЧН. ЭЛЕМЕНТ ТИП

Схема запчастей Komatsu 4D88E-6 - ДВИГАТЕЛЬ, СИСТЕМА СМАЗКИ МАСЛ. СИСТЕМА (№8-) ДВИГАТЕЛЬ, ОДИНОЧН. ЭЛЕМЕНТ ТИП
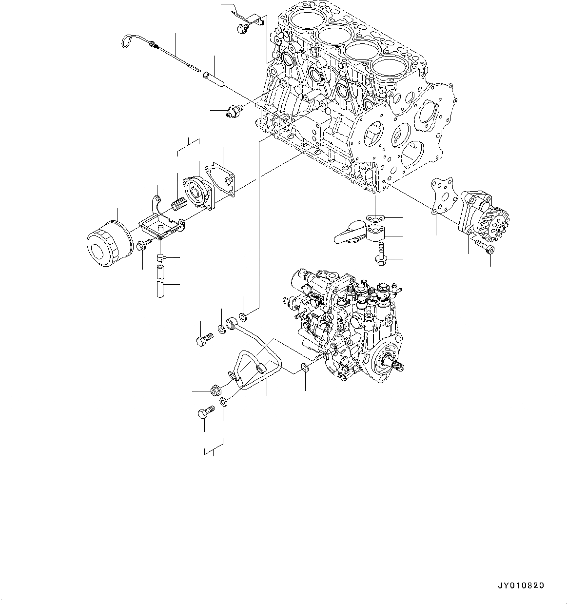
1
2
3
4
5
6
7
8
9
10
11
12
13
14
15
16
17
18
19
20
21
22
23
24
25
26
27
28
25
FIT
1:1
100%

Артикул

Название

Примечание

Количество

1

YM129407-32000

Oil Pump Assembly

SN: 14803-UP

1шт.

2

YM129150-32020

Gasket

SN: 14803-UP

1шт.

3

YM26450-060252

Bolt, Hexagon Socket Head

SN: 14803-UP

4шт.

4

YM129630-34801

Oil Level Gauge

SN: 14803-UP

1шт.

5

YM121520-34810

Guide

SN: 14803-UP

1шт.

6

YM129150-35042

Gasket

SN: 14803-UP

1шт.

7

YM129630-35300

Pipe Assembly

SN: 14803-UP

1шт.

8

YM26106-080352

Bolt, Flanged

SN: 14803-UP

2шт.

9

YM119802-35100

Bracket Assembly

SN: 14803-UP

1шт.

10

YM119802-35110

Bracket

SN: 14803-UP

1шт.

11

YM129100-35140

Stud

SN: 14803-UP

1шт.

12

YM129150-35111

Gasket

SN: 14803-UP

1шт.

13

YM129150-35160

Cartridge

SN: 14803-UP

1шт.

14

YM129240-35800

Cover

SN: 14803-UP

1шт.

15

YM23065-120230

Hose

SN: 14803-UP

1шт.

16

YM23080-014000

Clamp

SN: 14803-UP

1шт.

17

YM26106-080202

Bolt, Flanged

SN: 14803-UP

3шт.

18

YM121252-39450

Switch, Oil Pressure

SN: 14803-UP

1шт.

19

YM124160-39140

Bolt, Joint

SN: 14803-UP

1шт.

20

YM119802-39450

Pipe Assembly

SN: 14803-UP

1шт.

21

YM129005-59830

Bolt Assembly

SN: 14803-UP

1шт.

22

YM22190-080002

Seal

SN: 14803-UP

1шт.

23

YM23857-030000

Bolt, Joint

SN: 14803-UP

1шт.

24

YM22190-080002

Seal

SN: 14803-UP

1шт.

25

YM22190-100002

Seal, Washer

SN: 14803-UP

2шт.

26

YM26366-060002

Nut, Flanged

SN: 14803-UP

1шт.

27

YM129136-66852

Support

SN: 14803-UP

1шт.

28

YM26106-080122

Bolt, Flanged

SN: 14803-UP

1шт.

Выбрано товаров: 28