Запчасти Komatsu 4D88E-6 ДВИГАТЕЛЬ, С КОНДИЦИОНЕРОМ, ОДИНОЧН. ЭЛЕМЕНТ ТИП, ВЫПУСКНОЙ КОЛЛЕКТОР (№8-) ДВИГАТЕЛЬ, С КОНДИЦИОНЕРОМ, ОДИНОЧН. ЭЛЕМЕНТ ТИП

Схема запчастей Komatsu 4D88E-6 - ДВИГАТЕЛЬ, С КОНДИЦИОНЕРОМ, ОДИНОЧН. ЭЛЕМЕНТ ТИП, ВЫПУСКНОЙ КОЛЛЕКТОР (№8-) ДВИГАТЕЛЬ, С КОНДИЦИОНЕРОМ, ОДИНОЧН. ЭЛЕМЕНТ ТИП
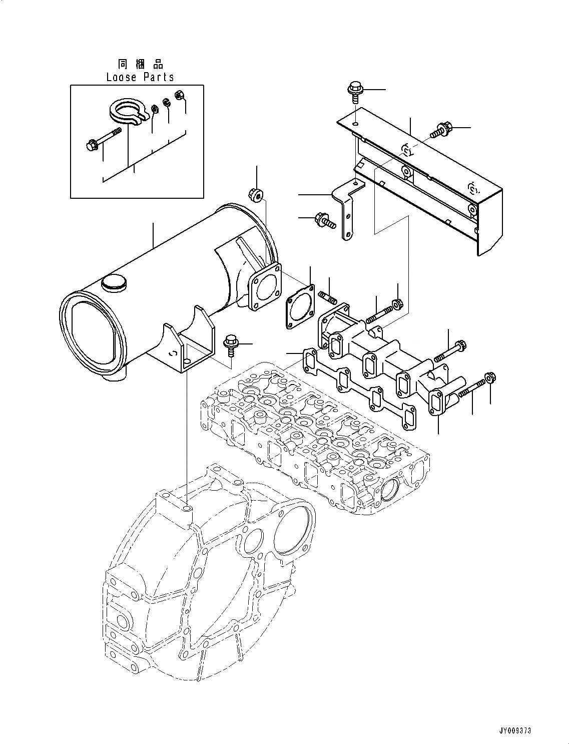
1
2
3
4
5
6
7
8
9
10
11
12
13
14
15
16
17
18
19
3
14
6
FIT
1:1
100%

Артикул

Название

Примечание

Количество

1

YM129640-13109

Manifold

SN: 14803-UP

1шт.

2

YM129550-13110

Gasket

SN: 14803-UP

1шт.

3

YM123900-13610

Stud

SN: 14803-UP

2шт.

4

YM123900-13630

Bolt, Flanged

SN: 14803-UP

6шт.

5

YM119131-18320

Stud

SN: 14803-UP

4шт.

6

YM26306-080002

Nut, Flanged

SN: 14803-UP

2шт.

7

YM129930-13201

Gasket

SN: 14803-UP

1шт.

8

YM129642-13510

Silencer

SN: 14803-UP

1шт.

9

YM129612-77260

Nut

SN: 14803-UP

4шт.

10

YM26106-100202

Bolt, Flanged

SN: 14803-UP

2шт.

11

YM129642-13401

Cover

SN: 14803-UP

1шт.

12

YM129642-13490

Insulator

SN: 14803-UP

1шт.

13

YM119802-13790

Bolt, Flanged

SN: 14803-UP

4шт.

14

YM26106-080142

Bolt, Flanged

SN: 14803-UP

3шт.

15

YM129642-13590

Clamp Assembly

SN: 14803-UP

1шт.

16

YM22117-100000

Washer

SN: 14803-UP

1шт.

17

YM22217-100000

Washer, Spring

SN: 14803-UP

1шт.

18

YM26106-100652

Bolt, Flanged

SN: 14803-UP

1шт.

19

YM26706-100002

Nut

SN: 14803-UP

1шт.

Выбрано товаров: 19