Запчасти Komatsu 4D94-2E СТАРТЕР (.KW) (ВОДН. ЗАЩИТА ТИП)(№97-) ОХЛАЖД-Е И ЭЛЕКТРИКАS

Схема запчастей Komatsu 4D94-2E - СТАРТЕР (.KW) (ВОДН. ЗАЩИТА ТИП)(№97-) ОХЛАЖД-Е И ЭЛЕКТРИКАS
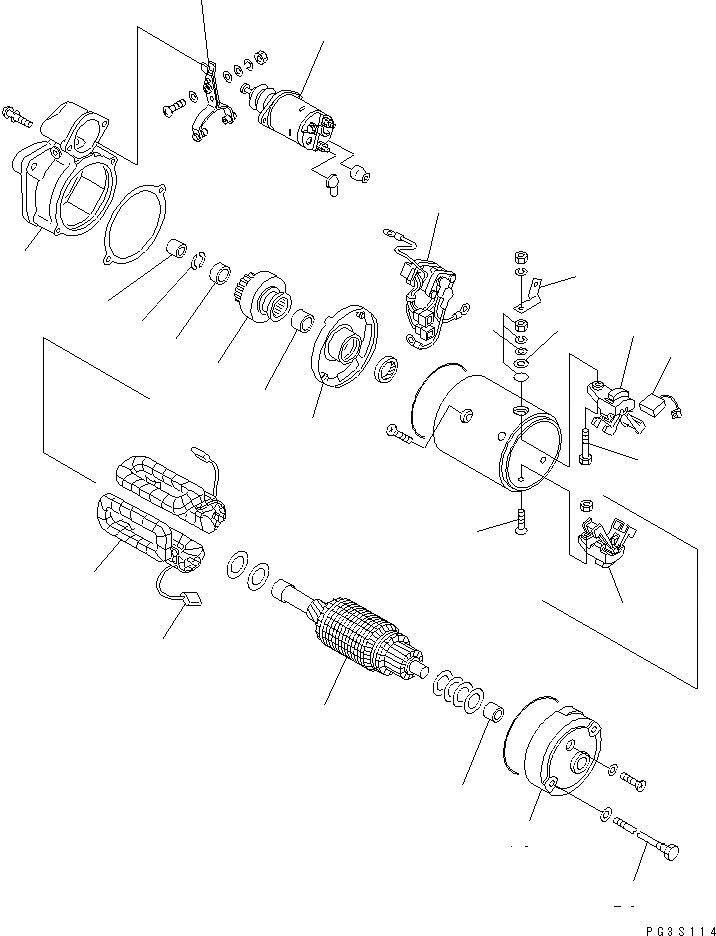
1
2
3
4
5
6
7
8
8
9
10
11
12
13
14
15
16
17
18
19
20
21
22
23
FIT
1:1
100%

Артикул

Название

Примечание

Количество

|$0

600-813-2161

STARTING MOTOR ASS'Y,(3.5KW)(TROPICAL SANDY,DUSTY S

SN: 34197-UP

1шт.

1

KD1-21320-0810

SHIFT LEVER ASS'Y

SN: 34197-UP

1шт.

2

KD7-47100-0130

MAGNETIC SWITCH A.

SN: 34197-UP

1шт.

3

KD7-25000-6100

SWITCH ASS'Y

SN: 34197-UP

1шт.

4

KD1-21784-1290

BAR

SN: 34197-UP

1шт.

5

KD1-21941-0610

WASHER

SN: 34197-UP

1шт.

6

KD1-21181-0200

STOPPER

SN: 34197-UP

1шт.

7

KD1-21720-0190

BRUSH HOLDER A.

SN: 34197-UP

1шт.

8

KD7-21780-0060

TERMINAL ASS'Y

SN: 34197-UP

1шт.

9

KD1-21310-1530

FRONT BRACKET A.

SN: 34197-UP

1шт.

10

KD7-21351-0620

METAL

SN: 34197-UP

1шт.

11

KD1-21914-0170

RING

SN: 34197-UP

2шт.

12

KD1-21500-1900

CLUTCH ASS'Y

SN: 34197-UP

1шт.

13

KD1-21600-1520

CENTER BRACKET A.

SN: 34197-UP

1шт.

14

KD7-21351-1011

METAL

SN: 34197-UP

1шт.

15

KD1-0040-06142

SCREW

SN: 34197-UP

1шт.

16

KD1-21720-0200

BRUSH HOLDER A.

SN: 34197-UP

1шт.

17

KD0-21740-0492

BRUSH ASS'Y

SN: 34197-UP

2шт.

18

KD0-21700-1700

REAR BRACKET A.

SN: 34197-UP

1шт.

19

KD7-21351-0620

METAL

SN: 34197-UP

1шт.

20

KD0-21901-1720

BOLT

SN: 34197-UP

2шт.

21

KD1-21230-0940

FIELD COIL ASS'Y

SN: 34197-UP

1шт.

22

KD1-21740-0502

BRUSH

SN: 34197-UP

1шт.

23

KD1-21100-1240

ARMATURE ASS'Y

SN: 34197-UP

1шт.

24

KD7-21920-0030

WASHER ASS'Y,(NOT SHOWN)

SN: 34197-UP

1шт.

25

KD7-09210-1720

SEAL ASS'Y,(NOT SHOWN)

SN: 34197-UP

1шт.

Выбрано товаров: 26