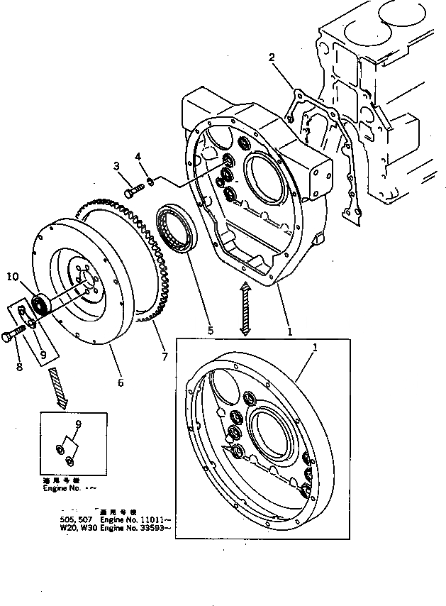
Запчасти Komatsu 4D94-2P МАХОВИК И КАРТЕР МАХОВИКА БЛОК ЦИЛИНДРОВ

Схема запчастей Komatsu 4D94-2P - МАХОВИК И КАРТЕР МАХОВИКА БЛОК ЦИЛИНДРОВ
FIT
1:1
100%

Артикул

Название

Примечание

Количество

1

6144-21-4110

HOUSING

SN: 12336-UP

1шт.

2

6142-22-4810

GASKET (K2)

SN: 12336-UP

1шт.

3

01010-31035

BOLT

SN: 12336-UP

10шт.

4

01602-01030

WASHER

SN: 12336-UP

10шт.

5

6144-21-4231

SEAL¤ REAR (K2)

SN: 12336-UP

1шт.

|6

6144-31-1500

FLYWHEEL ASS'Y

SN: 12336-UP

1шт.

|6

6144-31-1301

FLYWHEEL ASS'Y

SN: 10000-10000

1шт.

|6

0

FLYWHEEL ASS'Y

SN: 10000-10000

1шт.

6

0

FLYWHEEL

SN: 12336-UP

1шт.

|6

0

FLYWHEEL

SN: 10000-10000

1шт.

7

6144-31-1320

GEAR

SN: 12336-UP

1шт.

|7

6144-31-1321

GEAR

SN: 10000-10000

1шт.

|7

0

GEAR

SN: 10000-10000

1шт.

8

01050-31230

BOLT

SN: 12336-UP

6шт.

9

6142-32-1360

WASHER

SN: .-UP

6шт.

|9

0

PLATE (K2)

SN: 12336-.

3шт.

10

06000-06204

BEARING

SN: 12336-UP

1шт.

Выбрано товаров: 17