Запчасти Komatsu 4D94-2P ГЕНЕРАТОР И КРЕПЛЕНИЕ ОХЛАЖД-Е И ЭЛЕКТРИКАS

Схема запчастей Komatsu 4D94-2P - ГЕНЕРАТОР И КРЕПЛЕНИЕ ОХЛАЖД-Е И ЭЛЕКТРИКАS
FIT
1:1
100%

Артикул

Название

Примечание

Количество

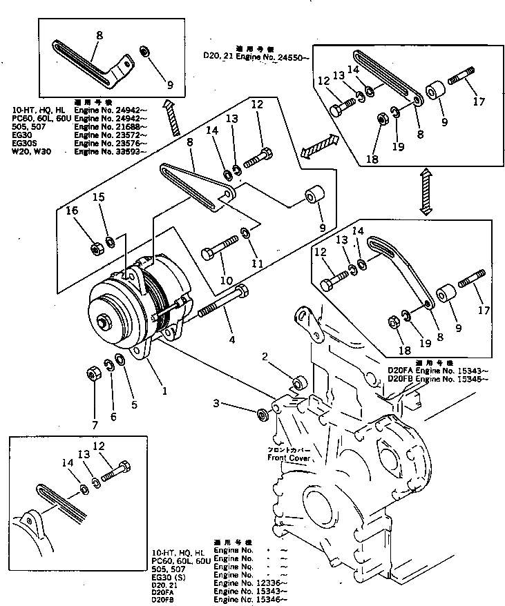
1

600-821-6110

ALTERNATOR A. (25A)

SN: 67268-UP

1шт.

|1

0

ALTERNATOR A. (25A)

SN: 12336-67267

1шт.

|1

600-821-3340

ALTERNATOR A. (13A),(TROPICAL SANDY¤ DUSTY SPEC.)

SN: 12336-UP

1шт.

2

6144-85-6550

SPACER

SN: 12336-UP

1шт.

3

01643-31445

WASHER

SN: 12336-UP

1шт.

4

6112-21-6580

BOLT

SN: .-UP

1шт.

|4

01011-31430

BOLT

SN: 12336-.

1шт.

5

01641-21423

WASHER

SN: 12336-UP

1шт.

6

01602-01442

WASHER

SN: 12336-UP

1шт.

7

01580-01411

NUT

SN: 12336-UP

1шт.

8

6144-81-6670

PLATE

SN: 12336-UP

1шт.

|8

6672-22-6352

PLATE,(TROPICAL SANDY¤ DUSTY SPEC.)

SN: 12336-UP

1шт.

9

6144-81-6570

SPACER

SN: 12336-UP

1шт.

12

01050-31230

BOLT

SN: 12336-UP

1шт.

13

01602-01236

WASHER

SN: 12336-UP

1шт.

14

01643-31232

WASHER

SN: 12336-UP

1шт.

17

6144-61-1850

STUD,(SEE FIG.504 OR 505)

SN: 12336-UP

1шт.

18

01580-00806

NUT,(SEE FIG.504 OR 505)

SN: 12336-UP

1шт.

19

01602-00825

WASHER,(SEE FIG.504 OR 505)

SN: 12336-UP

1шт.

Выбрано товаров: 19