Запчасти Komatsu 4D94-2R СИСТЕМА СМАЗКИ МАСЛЯНЫЙ ФИЛЬТР СИСТЕМА СМАЗКИ МАСЛ. СИСТЕМА

Схема запчастей Komatsu 4D94-2R - СИСТЕМА СМАЗКИ МАСЛЯНЫЙ ФИЛЬТР СИСТЕМА СМАЗКИ МАСЛ. СИСТЕМА
FIT
1:1
100%

Артикул

Название

Примечание

Количество

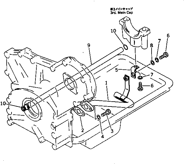
1

6144-51-6110

STRAINER

SN: 15343-UP

1шт.

2

6142-52-6180

GASKET (K2)

SN: 15343-UP

1шт.

3

01010-30825

BOLT

SN: .-UP

2шт.

|3

01010-30820

BOLT

SN: 15343-.

2шт.

4

01602-00825

WASHER

SN: 15343-UP

2шт.

5

6144-51-6150

BRACKET

SN: 15343-UP

1шт.

6

01010-30816

BOLT

SN: 15343-UP

2шт.

7

01602-00825

WASHER

SN: 15343-UP

2шт.

8

01643-30823

WASHER

SN: 15343-UP

1шт.

9

6144-51-6310

PIPE

SN: 15343-UP

1шт.

10

6140-51-6330

O-RING (K2)

SN: 15343-UP

2шт.

Выбрано товаров: 11