Запчасти Komatsu 4D94-2R ТОПЛИВН. ФИЛЬТР. И КРЕПЛЕНИЕ ТОПЛИВН. СИСТЕМА

Схема запчастей Komatsu 4D94-2R - ТОПЛИВН. ФИЛЬТР. И КРЕПЛЕНИЕ ТОПЛИВН. СИСТЕМА
FIT
1:1
100%

Артикул

Название

Примечание

Количество

|1

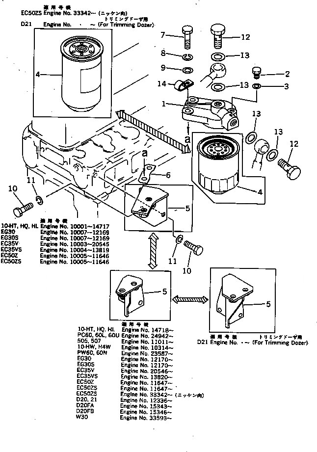
6144-71-6100

FUEL FILTER ASS'Y

SN: 15343-UP

1шт.

1

600-311-8020

COVER

SN: 15343-UP

1шт.

2

600-311-6720

PLUG

SN: 15343-UP

1шт.

3

07005-00812

GASKET

SN: 15343-UP

1шт.

4

600-311-6220

CARTRIDGE

SN: 15343-UP

1шт.

5

6144-71-6250

BRACKET

SN: 15343-UP

1шт.

7

01010-31035

BOLT

SN: 15343-UP

2шт.

8

01602-01030

WASHER

SN: 15343-UP

2шт.

9

01641-21016

WASHER

SN: 15343-UP

2шт.

10

01010-30816

BOLT

SN: 15343-UP

2шт.

11

01602-00825

WASHER

SN: 15343-UP

2шт.

12

07206-11014

BOLT

SN: 15343-UP

2шт.

13

07005-01412

GASKET (K2)

SN: 15343-UP

4шт.

15

600-311-1260

PLATE,(GERMAN-ENGLISH)(NOT SHOWN)

SN: 15343-UP

1шт.

Выбрано товаров: 0