Запчасти Komatsu 4D94-2R ГЕНЕРАТОР И КРЕПЛЕНИЕ ОХЛАЖД-Е И ЭЛЕКТРИКАS

Схема запчастей Komatsu 4D94-2R - ГЕНЕРАТОР И КРЕПЛЕНИЕ ОХЛАЖД-Е И ЭЛЕКТРИКАS
FIT
1:1
100%

Артикул

Название

Примечание

Количество

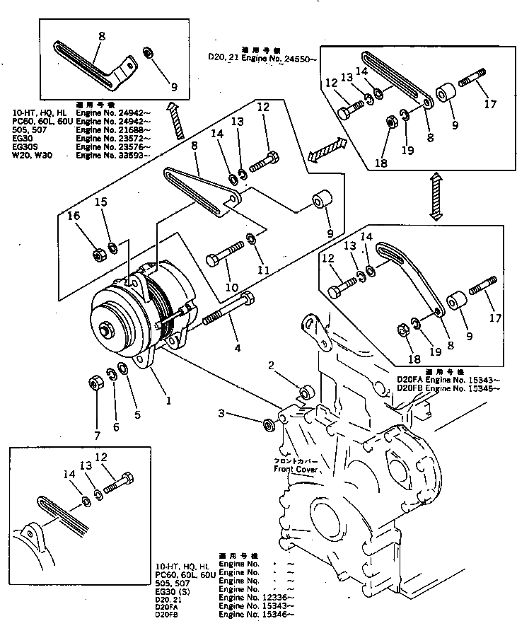
1

600-821-3340

ALTERNATOR A. (13A)

SN: 15343-UP

1шт.

2

6144-81-6550

SPACER

SN: 15343-UP

1шт.

3

6144-81-6560

SPACER

SN: 15343-UP

1шт.

4

01011-31430

BOLT

SN: 15343-UP

1шт.

5

01641-21423

WASHER

SN: 15343-UP

1шт.

6

01602-01442

WASHER

SN: 15343-UP

1шт.

7

01580-01411

NUT

SN: 15343-UP

1шт.

8

6144-81-6640

PLATE

SN: 15343-UP

1шт.

9

6144-81-6570

SPACER

SN: 15343-UP

1шт.

12

01050-31230

BOLT

SN: 15343-UP

1шт.

13

01602-01236

WASHER

SN: 15343-UP

1шт.

14

01643-31232

WASHER

SN: 15343-UP

1шт.

17

6144-61-1850

STUD,(SEE FIG.504)

SN: 15343-UP

1шт.

18

01580-00806

NUT,(SEE FIG.504)

SN: 15343-UP

1шт.

19

01602-00825

WASHER,(SEE FIG.504)

SN: 15343-UP

1шт.

Выбрано товаров: 15