Запчасти Komatsu 4D94-2S ПЕРЕДН. КРЫШКАAND ПЛАСТИНА БЛОК ЦИЛИНДРОВ

Схема запчастей Komatsu 4D94-2S - ПЕРЕДН. КРЫШКАAND ПЛАСТИНА БЛОК ЦИЛИНДРОВ
FIT
1:1
100%

Артикул

Название

Примечание

Количество

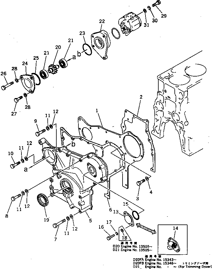
1

6144-21-3221

PLATE

SN: 15343-UP

1шт.

2

6142-22-3811

GASKET (K2)

SN: 15343-UP

1шт.

3

01010-30825

BOLT

SN: 24550-UP

2шт.

|3

01010-30820

BOLT

SN: 15343-24549

2шт.

4

01602-00825

WASHER

SN: 15343-UP

2шт.

5

6144-51-1202

OIL PUMP ASS'Y,(SEE FIG.302)

SN: 25299-UP

1шт.

|5

0

OIL PUMP ASS'Y,(SEE FIG.302)

SN: 15343-25298

1шт.

|$$8

(6144-51-1202{01010-30825(2))}

-1шт.

6

6144-21-3821

GASKET (K2)

SN: 15343-UP

1шт.

7

6132-11-6460

BOLT

SN: 15343-UP

4шт.

8

01010-30855

BOLT

SN: 15343-UP

1шт.

9

01010-30860

BOLT

SN: 15343-UP

3шт.

10

01010-30865

BOLT

SN: 15343-UP

1шт.

11

01602-00825

WASHER

SN: 15343-UP

9шт.

12

01641-20812

WASHER

SN: 15343-UP

9шт.

13

6144-81-5151

COVER

SN: 15343-UP

1шт.

14

6142-82-5111

BOX

SN: 15343-UP

1шт.

15

07000-03050

O-RING (K2)

SN: 15343-UP

1шт.

16

01010-30620

BOLT

SN: 15343-UP

2шт.

17

01602-00619

WASHER

SN: 15343-UP

2шт.

19

6142-22-3530

SEAL¤ FRONT (K2)

SN: 15343-UP

1шт.

20

6144-31-6500

GEAR ASS'Y

SN: 15343-UP

1шт.

|20

0

SHAFT

SN: 15343-UP

1шт.

|20

0

GEAR

SN: 15343-UP

1шт.

21

06040-06206

BEARING

SN: 15343-UP

2шт.

22

6144-21-3450

HOUSING

SN: 15343-UP

1шт.

23

6144-21-3540

O-RING

SN: 15343-UP

1шт.

24

6144-21-3550

RETAINER

SN: 15343-UP

1шт.

25

07000-02090

O-RING

SN: 15343-UP

1шт.

26

01010-30870

BOLT

SN: 15343-UP

2шт.

27

01010-30820

BOLT

SN: 15343-UP

1шт.

28

01602-00825

WASHER

SN: 15343-UP

3шт.

29

01010-31030

BOLT

SN: 15343-UP

2шт.

30

01602-01030

WASHER

SN: 15343-UP

2шт.

31

01643-31032

WASHER

SN: 15343-UP

2шт.

Выбрано товаров: 35