Запчасти Komatsu 4D95L-1AA-7 СМАЗЫВ. НАСОС И ВСАСЫВ. PIPE СИСТЕМА СМАЗКИ МАСЛ. СИСТЕМА

Схема запчастей Komatsu 4D95L-1AA-7 - СМАЗЫВ. НАСОС И ВСАСЫВ. PIPE СИСТЕМА СМАЗКИ МАСЛ. СИСТЕМА
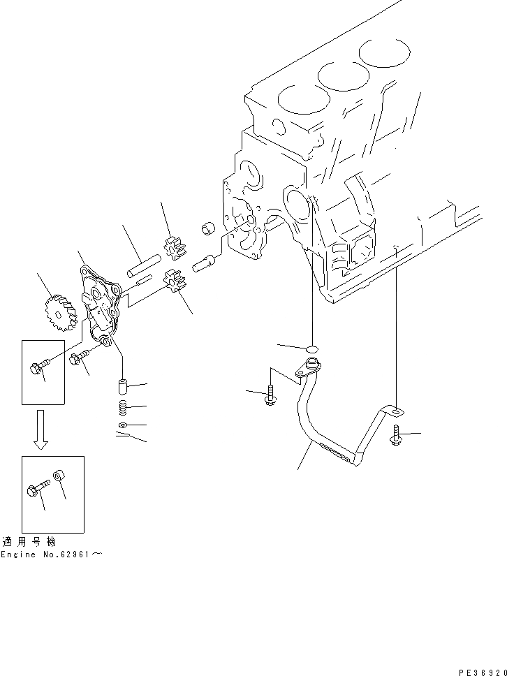
1
2
3
4
5
6
7
8
9
10
11
11
12
13
14
15
16
FIT
1:1
100%

Артикул

Название

Примечание

Количество

|1

6204-51-1201

COVER ASS'Y

SN: 49965-UP

1шт.

1

0

COVER

SN: 49965-UP

1шт.

|2

6204-51-1400

SHAFT ASS'Y

SN: 49965-UP

1шт.

2

0

SHAFT

SN: 49965-UP

1шт.

3

6204-51-1410

GEAR,DRIVE

SN: 49965-UP

1шт.

4

6206-51-1510

GEAR

SN: 49965-UP

1шт.

5

6204-51-1310

VALVE

SN: 49965-UP

1шт.

6

6204-51-1320

SPRING

SN: 49965-UP

1шт.

7

6204-51-1330

WASHER

SN: 49965-UP

1шт.

8

6204-51-1340

PIN,COTTER

SN: 49965-UP

1шт.

9

6204-51-1610

GEAR,DRIVEN

SN: 49965-UP

1шт.

10

01435-20816

BOLT

SN: 49965-UP

4шт.

11

01435-20825

BOLT

SN: 62961-UP

1шт.

|11

01435-20816

BOLT

SN: 49965-62960

1шт.

12

6691-41-8230

SPACER¤ 10MM

SN: 62961-UP

1шт.

13

6204-51-6110

TUBE,SUCTION

SN: 49965-UP

1шт.

14

6204-51-6120

O-RING (K2)

SN: 49965-UP

1шт.

15

01435-20816

BOLT

SN: 49965-UP

1шт.

16

01435-20812

BOLT

SN: 49965-UP

1шт.

Выбрано товаров: 0