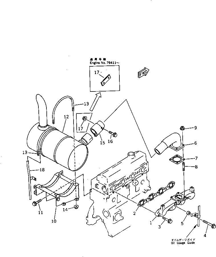
Запчасти Komatsu 4D95L-1AA-7 ВЫПУСКНОЙ КОЛЛЕКТОР И ГЛУШИТЕЛЬ ГОЛОВКА ЦИЛИНДРОВ

Схема запчастей Komatsu 4D95L-1AA-7 - ВЫПУСКНОЙ КОЛЛЕКТОР И ГЛУШИТЕЛЬ ГОЛОВКА ЦИЛИНДРОВ
FIT
1:1
100%

Артикул

Название

Примечание

Количество

1

6204-13-5110

MANIFOLD,EXHAUST

SN: 49965-UP

1шт.

2

6205-11-5810

GASKET (K1)

SN: 75571-UP

1шт.

|2

0

GASKET

SN: 63005-75570

1шт.

|2

6204-11-5810

GASKET (K1)

SN: 49965-63004

1шт.

3

01435-01045

BOLT

SN: 49965-UP

7шт.

4

01435-01060

BOLT

SN: 49965-UP

1шт.

5

6631-11-6390

SPACER

SN: 49965-UP

1шт.

6

6204-13-5610

CONNECTOR

SN: 49965-UP

1шт.

7

6130-12-5580

GASKET (K1)

SN: 49965-UP

1шт.

8

01140-61025

STUD

SN: 49965-UP

4шт.

9

6142-12-5850

NUT

SN: 49965-UP

4шт.

10

6204-13-5510

BRACKET

SN: 49965-UP

1шт.

11

01435-01025

BOLT

SN: 49965-UP

2шт.

12

6204-13-5210

MUFFLER

SN: 49965-UP

1шт.

13

6206-11-5980

U-BOLT

SN: 49965-UP

2шт.

14

01584-00806

NUT

SN: 49965-UP

4шт.

15

6206-11-5910

CLAMP

SN: 49965-UP

1шт.

16

01435-01235

BOLT

SN: 49965-UP

2шт.

17

6206-11-5850

PLATE

SN: 79411-UP

1шт.

|17

0

NUT

SN: 49965-79410

2шт.

18

6204-13-5410

TUBE,DRAIN

SN: 49965-UP

1шт.

Выбрано товаров: 21