Запчасти Komatsu 4D95L-1AA СИСТЕМА СМАЗКИ МАСЛООХЛАДИТЕЛЬ(№78-) СИСТЕМА СМАЗКИ МАСЛ. СИСТЕМА

Схема запчастей Komatsu 4D95L-1AA - СИСТЕМА СМАЗКИ МАСЛООХЛАДИТЕЛЬ(№78-) СИСТЕМА СМАЗКИ МАСЛ. СИСТЕМА
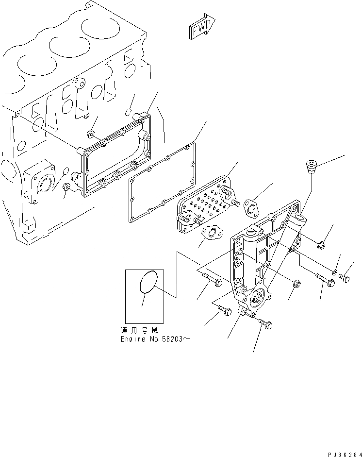
1
2
3
4
4
5
5
6
7
8
9
10
11
12
12
13
14
15
16
17
FIT
1:1
100%

Артикул

Название

Примечание

Количество

1

6204-61-5110

COVER ASS'Y

SN: 57338-UP

1шт.

2

6204-61-5170

PLUG

SN: 57338-UP

2шт.

3

600-651-1510

ELEMENT

SN: 57338-UP

1шт.

4

6204-61-5190

GASKET

SN: 57338-UP

2шт.

5

01584-00806

NUT

SN: 57338-UP

4шт.

6

600-311-6720

PLUG

SN: 57338-UP

1шт.

7

07005-00812

GASKET

SN: 57338-UP

1шт.

8

6204-61-5120

HOUSING

SN: 57338-UP

1шт.

9

6204-61-5180

GASKET

SN: 57338-UP

1шт.

10

01435-20850

BOLT

SN: 57338-UP

1шт.

11

01435-20830

BOLT

SN: 57338-UP

7шт.

12

01584-00806

NUT

SN: 57338-UP

8шт.

13

07000-02018

O-RING

SN: 57338-UP

1шт.

14

07000-02020

O-RING

SN: 57338-UP

1шт.

15

07000-62070

O-RING

SN: 59236-UP

1шт.

16

01435-20855

BOLT

SN: 57338-UP

3шт.

17

01435-20825

BOLT

SN: 57338-UP

4шт.

Выбрано товаров: 17