Запчасти Komatsu 4D95L-1AA ГЕНЕРАТОР И КРЕПЛЕНИЕ (A) (С КРЫШКОЙ)(№8-) ЭЛЕКТРИКА

Схема запчастей Komatsu 4D95L-1AA - ГЕНЕРАТОР И КРЕПЛЕНИЕ (A) (С КРЫШКОЙ)(№8-) ЭЛЕКТРИКА
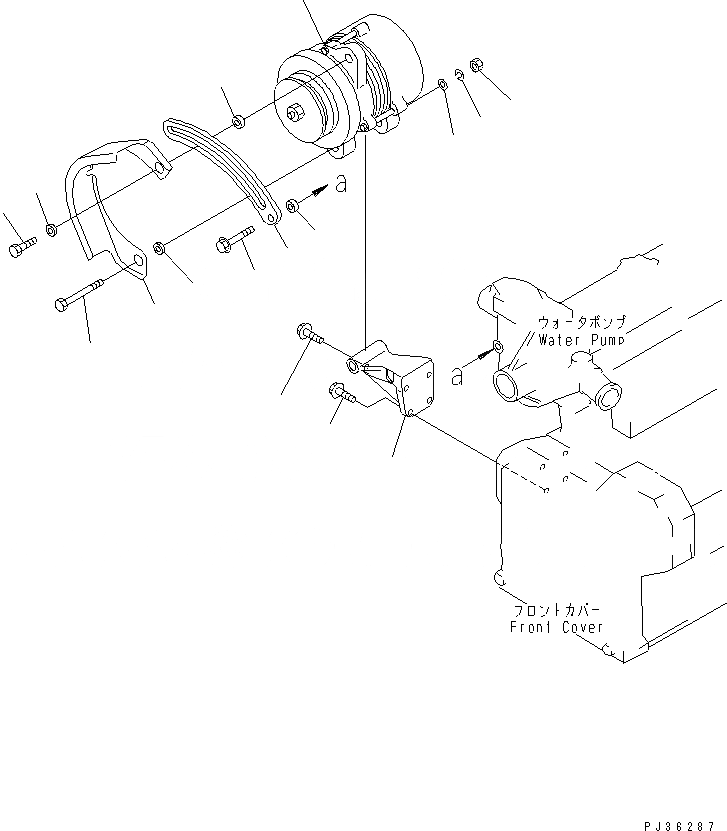
1
2
3
4
5
6
7
8
9
10
11
12
13
14
15
15
FIT
1:1
100%

Артикул

Название

Примечание

Количество

1

600-821-6120

ALTERNATOR A. (25A),(SEE FIG.0642)

SN: 62826-UP

1шт.

2

6207-81-6510

BRACKET

SN: 69756-UP

1шт.

2

0

BRACKET

SN: 62826-69755

1шт.

3

01435-20825

BOLT

SN: 62826-UP

3шт.

4

01435-20895

BOLT

SN: 62826-UP

1шт.

5

6204-81-6910

COVER

SN: 62826-UP

1шт.

6

6136-21-6650

SPACER

SN: 62826-UP

1шт.

7

6205-81-6810

BOLT

SN: 62826-UP

1шт.

8

01580-01411

NUT

SN: 62826-UP

1шт.

9

01602-01442

WASHER,SPRING

SN: 62826-UP

1шт.

10

01641-21423

WASHER

SN: 62826-UP

1шт.

11

6206-81-6620

PLATE,ADJUST

SN: 62826-UP

1шт.

12

01435-20860

BOLT

SN: 62826-UP

1шт.

13

6130-12-1961

SPACER

SN: 62826-UP

1шт.

14

01050-31240

BOLT

SN: 62826-UP

1шт.

15

6127-11-5180

SPACER

SN: 62826-UP

2шт.

Выбрано товаров: 16