Запчасти Komatsu 4D95L-1C ВЫПУСКНОЙ КОЛЛЕКТОР И ГЛУШИТЕЛЬ ГОЛОВКА ЦИЛИНДРОВ

Схема запчастей Komatsu 4D95L-1C - ВЫПУСКНОЙ КОЛЛЕКТОР И ГЛУШИТЕЛЬ ГОЛОВКА ЦИЛИНДРОВ
FIT
1:1
100%

Артикул

Название

Примечание

Количество

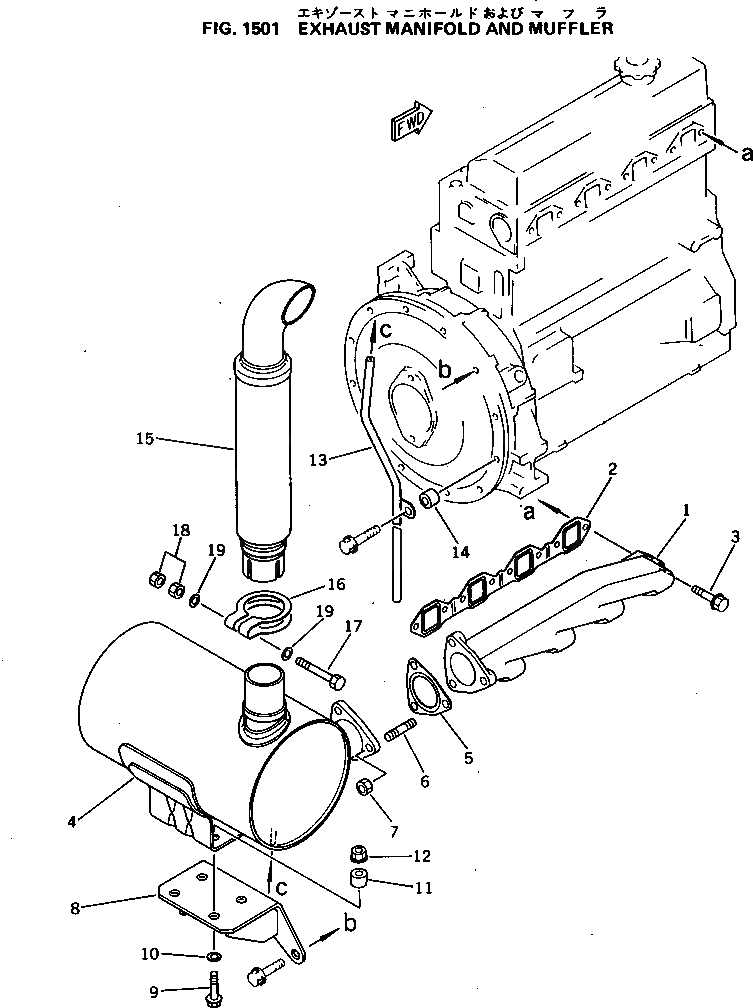
1

6204-11-5120

MANIFOLD,EXHAUST

SN: 10001-UP

1шт.

2

6204-11-5810

GASKET (K1)

SN: 10001-UP

1шт.

3

01435-01045

BOLT

SN: 10001-UP

8шт.

4

6204-11-5512

MUFFLER

SN: 10001-UP

1шт.

5

6144-11-5821

GASKET (K1)

SN: 10001-UP

1шт.

6

01140-61025

STUD

SN: 10001-UP

3шт.

7

6142-12-5850

NUT

SN: 10001-UP

3шт.

8

6204-11-5610

BRACKET

SN: 10001-UP

1шт.

9

01435-21040

BOLT

SN: 10001-UP

4шт.

10

01643-31032

WASHER

SN: 10001-UP

4шт.

11

6631-11-5630

SPACER

SN: 10001-UP

4шт.

12

01584-21008

NUT

SN: 10001-UP

4шт.

13

6204-11-5910

TUBE

SN: 10001-UP

1шт.

14

6631-11-5630

SPACER

SN: 10001-UP

1шт.

15

6204-11-5710

PIPE,EXHAUST

SN: 10001-UP

1шт.

16

6204-11-5960

CLAMP

SN: 10001-UP

1шт.

17

01010-31070

BOLT

SN: 10001-UP

1шт.

18

01580-21008

NUT

SN: 10001-UP

2шт.

19

01641-21016

WASHER

SN: 10001-UP

2шт.

Выбрано товаров: 19