Запчасти Komatsu 4D95L-1FF ГЛУШИТЕЛЬ ДВИГАТЕЛЬ

Схема запчастей Komatsu 4D95L-1FF - ГЛУШИТЕЛЬ ДВИГАТЕЛЬ
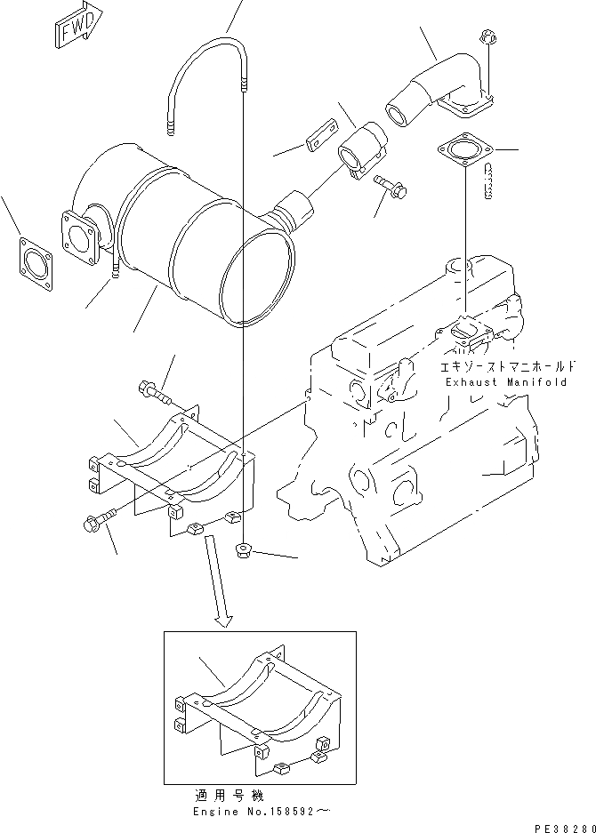
1
2
2
3
4
5
6
7
7
8
8
9
10
11
FIT
1:1
100%

Артикул

Название

Примечание

Количество

1

6204-11-5210

MUFFLER

SN: 131803-UP

1шт.

2

6206-11-5980

U-BOLT

SN: 131803-UP

2шт.

3

01584-00806

NUT

SN: 131803-UP

4шт.

4

6206-11-5910

CLAMP

SN: 131803-UP

1шт.

5

01435-01235

BOLT

SN: 131803-UP

2шт.

6

6206-11-5850

PLATE,LOCK

SN: 131803-UP

1шт.

7

6204-11-5661

BRACKET

SN: 158592-UP

1шт.

7

0

BRACKET

SN: 131803-158591

1шт.

8

01435-01025

BOLT

SN: 131803-UP

4шт.

9

6204-13-5610

CONNECTOR

SN: 131803-UP

1шт.

10

6130-12-5580

GASKET (K1)

SN: 131803-UP

1шт.

11

6131-15-5350

GASKET

SN: 150681-UP

1шт.

11

6131-15-5350

GASKET (K1)

SN: 131803-150680

1шт.

Выбрано товаров: 13