Запчасти Komatsu 4D95L-1G ТРУБОПРОВОД ВПУСКА ВОЗДУХА И СОЕДИН-Е(№8-9) ГОЛОВКА ЦИЛИНДРОВ

Схема запчастей Komatsu 4D95L-1G - ТРУБОПРОВОД ВПУСКА ВОЗДУХА И СОЕДИН-Е(№8-9) ГОЛОВКА ЦИЛИНДРОВ
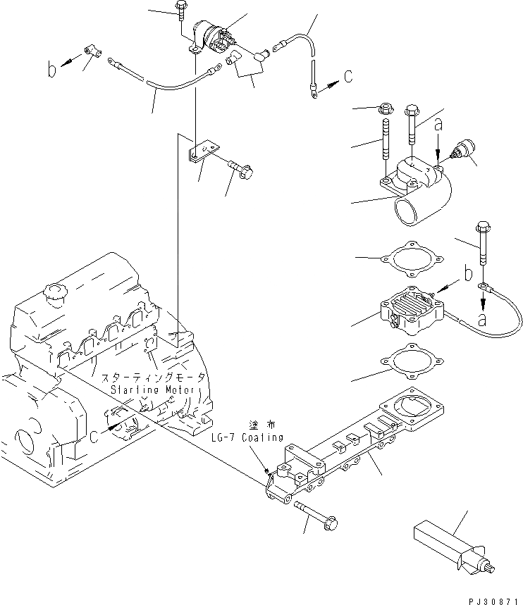
1
2
3
4
5
5
6
7
8
9
10
11
12
13
14
15
16
17
17
18
FIT
1:1
100%

Артикул

Название

Примечание

Количество

1

6204-11-4120

INTAKE MANIFOLD A.

SN: 16084-30900

1шт.

2

01435-21075

BOLT

SN: 16084-@

8шт.

3

600-815-2341

HEATER,RIBBON

SN: 16084-@

1шт.

4

6206-11-4220

CONNECTOR,AIR

SN: 16084-@

1шт.

5

6136-11-4820

GASKET (K1)

SN: 16084-@

2шт.

6

01435-21065

BOLT

SN: 16084-@

1шт.

7

01436-21000

BOLT

SN: 16084-@

2шт.

8

01144-31065

STUD

SN: 16084-@

1шт.

9

01584-21008

NUT

SN: 16084-@

1шт.

10

08670-01635

INDICATOR,DUST

SN: 28807-@

1шт.

|10

0

INDICATOR,DUST

SN: 16084-28806

1шт.

11

6206-81-5510

BRACKET

SN: 16084-@

1шт.

12

01435-21020

BOLT

SN: 16084-@

2шт.

13

600-815-2170

SWITCH,HEATER

SN: 16084-@

1шт.

14

01435-20612

BOLT

SN: 16084-@

2шт.

15

6151-81-4470

WIRE¤ 200MM

SN: 16084-@

1шт.

16

6136-85-4320

WIRE¤ 270MM

SN: 16084-@

1шт.

17

08038-00519

CAP

SN: 16084-@

3шт.

18

09920-00150

LIQUID GASKET,LG-7¤ 150G

SN: 16084-@

-2шт.

Выбрано товаров: 19