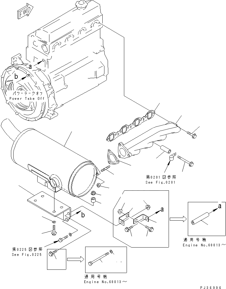
Запчасти Komatsu 4D95L-1G ВЫПУСКНОЙ КОЛЛЕКТОР И ГЛУШИТЕЛЬ(№97-) ГОЛОВКА ЦИЛИНДРОВ

Схема запчастей Komatsu 4D95L-1G - ВЫПУСКНОЙ КОЛЛЕКТОР И ГЛУШИТЕЛЬ(№97-) ГОЛОВКА ЦИЛИНДРОВ
1
2
3
4
5
6
7
8
9
10
11
12
13
14
15
15
15
16
16
16
16
17
17
18
FIT
1:1
100%

Артикул

Название

Примечание

Количество

1

6204-11-5120

MANIFOLD,EXHAUST

SN: 16084-UP

1шт.

2

6205-11-5810

GASKET (K1)

SN: 76066-UP

1шт.

|2

0

GASKET (K1)

SN: 16084-76065

1шт.

3

01435-01045

BOLT

SN: 16084-UP

7шт.

4

01436-01005

BOLT

SN: 76066-UP

1шт.

|4

0

BOLT

SN: 16084-76065

1шт.

5

6112-23-6971

SPACER

SN: 16084-UP

1шт.

6

6204-11-5253

MUFFLER

SN: 27749-UP

1шт.

7

6144-11-5821

GASKET (K1)

SN: 16084-UP

1шт.

8

01140-61025

STUD

SN: 16084-UP

3шт.

9

6142-12-5850

NUT

SN: 16084-UP

3шт.

10

6204-11-5624

BRACKET

SN: 36297-UP

1шт.

11

01435-21050

BOLT

SN: 36851-UP

4шт.

|11

01435-21045

BOLT

SN: 16084-36850

4шт.

12

6631-11-5630

SPACER

SN: 16084-UP

4шт.

13

01643-31032

WASHER

SN: 16084-UP

4шт.

14

01584-01008

NUT

SN: 16084-UP

4шт.

15

6204-11-5680

SPACER

SN: 68013-UP

1шт.

|15

6204-11-5690

BRACKET

SN: 16084-68012

2шт.

16

01011-51045

BOLT

SN: 68013-UP

1шт.

|16

01435-01020

BOLT

SN: 16084-68012

3шт.

17

01584-01008

NUT

SN: 16084-68012

2шт.

18

01643-31032

WASHER

SN: 68013-UP

1шт.

Выбрано товаров: 23