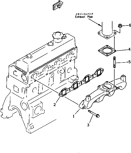
Запчасти Komatsu 4D95L-1J ВЫПУСКНОЙ КОЛЛЕКТОР И ГЛУШИТЕЛЬ(№8897-) ГОЛОВКА ЦИЛИНДРОВ

Схема запчастей Komatsu 4D95L-1J - ВЫПУСКНОЙ КОЛЛЕКТОР И ГЛУШИТЕЛЬ(№8897-) ГОЛОВКА ЦИЛИНДРОВ
FIT
1:1
100%

Артикул

Название

Примечание

Количество

1

6204-11-5110

MANIFOLD,EXHAUST

SN: 18897-UP

1шт.

2

6205-11-5810

GASKET (K1)

SN: 68095-UP

1шт.

|2

0

GASKET

SN: 60122-68094

1шт.

|2

0

GASKET (K1)

SN: 18897-60121

1шт.

3

01435-01045

BOLT

SN: 18897-UP

8шт.

4

6130-12-5580

GASKET (K1)

SN: 18897-UP

1шт.

5

01140-61025

STUD

SN: 18897-UP

4шт.

6

6142-12-5850

NUT

SN: 18897-UP

4шт.

Выбрано товаров: 8