Запчасти Komatsu 4D95L-1J ПЕРЕДН. КРЫШКАAND ПРИВОД(№8897-) БЛОК ЦИЛИНДРОВ

Схема запчастей Komatsu 4D95L-1J - ПЕРЕДН. КРЫШКАAND ПРИВОД(№8897-) БЛОК ЦИЛИНДРОВ
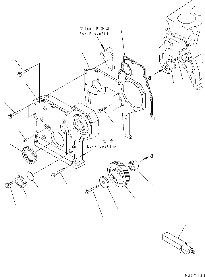
1
2
3
4
5
6
7
8
9
10
10
11
12
13
14
15
16
17
18
19
FIT
1:1
100%

Артикул

Название

Примечание

Количество

1

6204-21-3211

PLATE,FRONT

SN: 18897-UP

1шт.

2

6206-21-3830

GASKET (K2)

SN: 38173-UP

1шт.

2

0

GASKET

SN: 34510-38172

1шт.

2

0

GASKET (K2)

SN: 18897-34519

1шт.

3

01435-20816

BOLT

SN: 18897-UP

2шт.

4

6204-21-3112

COVER,FRONT

SN: 64024-UP

1шт.

4

0

COVER,FRONT

SN: 34160-64023

1шт.

4

0

COVER,FRONT

SN: 18897-34159

1шт.

5

6204-21-3850

POINTER

SN: 18897-UP

1шт.

6

01435-20855

BOLT

SN: 18897-UP

11шт.

7

01435-20860

BOLT

SN: 18897-UP

2шт.

8

01435-20870

BOLT

SN: 18897-UP

2шт.

9

6204-21-3510

SEAL, FRONT (K2)

SN: 18897-UP

1шт.

|$13

6206-31-6301

IDLER GEAR ASS'Y

SN: 38173-UP

1шт.

|$14

0

IDLER GEAR ASS'Y

SN: 18897-38172

1шт.

|$$16

(6206-31-6301,6204-31-6331)

-1шт.

10

0

GEAR,IDLER

SN: 38173-UP

1шт.

10

0

GEAR,IDLER

SN: 18897-38172

1шт.

11

6204-31-6341

BUSHING

SN: 38173-UP

1шт.

11

6204-31-6340

BUSHING

SN: 18897-38172

1шт.

12

6204-31-6331

SHAFT

SN: 38173-UP

1шт.

12

6204-31-6330

SHAFT

SN: 18897-38172

1шт.

13

04025-00512

PIN,SPRING

SN: 18897-UP

1шт.

14

6204-31-6350

WASHER

SN: 18897-UP

1шт.

15

01435-01270

BOLT

SN: 18897-UP

1шт.

16

6144-81-5151

COVER

SN: 18897-UP

1шт.

17

07000-03050

O-RING (K2)

SN: 18897-UP

1шт.

18

01435-20616

BOLT

SN: 18897-UP

2шт.

19

09920-00150

LIQUID GASKET,LG-7, 150G

SN: 18897-UP

-2шт.

Выбрано товаров: 29