Запчасти Komatsu 4D95L-1K - -

Схема запчастей Komatsu 4D95L-1K - - -
FIT
1:1
100%

Артикул

Название

Примечание

Количество

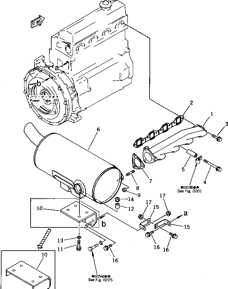
1

6204-11-5120

SN: 15548-UP

1шт.

2

6204-11-5810

SN: 15548-UP

1шт.

3

01435-01045

SN: 15548-UP

7шт.

4

6206-21-4860

SN: 15548-UP

1шт.

5

6112-23-6971

SN: 15548-UP

1шт.

6

6204-11-5253

SN: 26471-UP

1шт.

|6

0

SN: 15548-26470

1шт.

|$$8

-1шт.

7

6144-11-5821

SN: 15548-UP

1шт.

8

01140-61025

SN: 15548-UP

3шт.

9

6142-12-5850

SN: 15548-UP

3шт.

10

6204-11-5623

SN: 31351-UP

1шт.

|10

0

SN: 26471-31350

1шт.

|10

6204-11-5621

SN: 15548-26740

1шт.

11

01435-21045

SN: 15548-UP

4шт.

12

6631-11-5630

SN: 15548-UP

4шт.

13

01643-31032

SN: 15548-UP

4шт.

14

01584-01008

SN: 15548-UP

4шт.

15

6204-11-5690

SN: 15548-UP

2шт.

16

01435-01020

SN: 15548-UP

3шт.

17

01584-01008

SN: 15548-UP

2шт.

Выбрано товаров: 21