Запчасти Komatsu 4D95L-1L ТРУБОПРОВОД ВПУСКА ВОЗДУХА И СОЕДИН-Е(№-) ГОЛОВКА ЦИЛИНДРОВ

Схема запчастей Komatsu 4D95L-1L - ТРУБОПРОВОД ВПУСКА ВОЗДУХА И СОЕДИН-Е(№-) ГОЛОВКА ЦИЛИНДРОВ
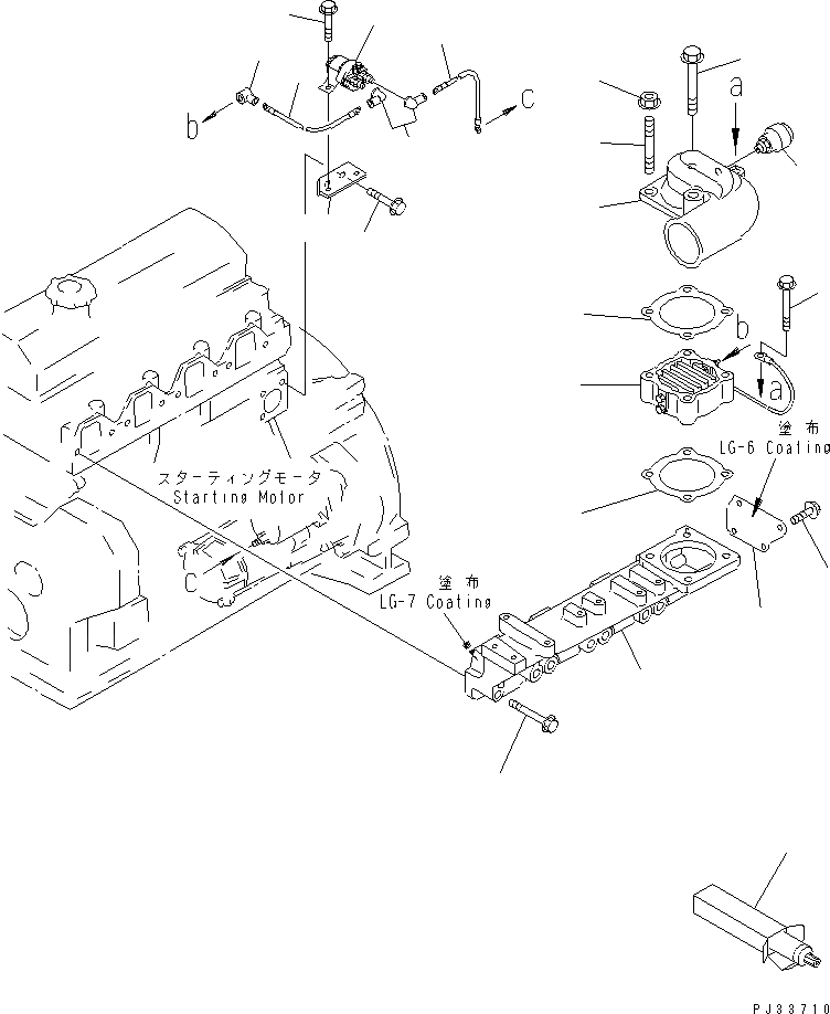
1
2
3
4
5
6
7
7
8
9
10
11
12
13
14
15
16
17
18
19
19
20
FIT
1:1
100%

Артикул

Название

Примечание

Количество

1

6204-11-4130

MANIFOLD,INTAKE

SN: 31341-UP

1шт.

2

6204-11-4140

PLATE

SN: 31341-UP

1шт.

3

01435-00812

BOLT

SN: 31341-UP

4шт.

4

01435-21075

BOLT

SN: 15941-UP

8шт.

5

600-815-2341

HEATER,RIBBON

SN: 15941-UP

1шт.

6

6206-11-4220

CONNECTOR,AIR

SN: 15941-UP

1шт.

7

6136-11-4820

GASKET (K1)

SN: 15941-UP

2шт.

8

01435-21065

BOLT

SN: 15941-UP

1шт.

9

01436-21000

BOLT

SN: 15941-UP

2шт.

10

01144-31065

STUD

SN: 15941-UP

1шт.

11

01584-01008

NUT

SN: 15941-UP

1шт.

12

08670-01635

INDICATOR,DUST

SN: 28754-UP

1шт.

13

6206-81-5510

BRACKET

SN: 15941-UP

1шт.

14

01435-21020

BOLT

SN: 15941-UP

2шт.

15

600-815-2170

SWITCH,HEATER

SN: 15941-UP

1шт.

16

01435-20612

BOLT

SN: 15941-UP

2шт.

17

6151-81-4470

WIRE, 200MM

SN: 15941-UP

1шт.

18

6136-85-4320

WIRE, 270MM

SN: 15941-UP

1шт.

19

08038-00519

CAP

SN: 15941-UP

3шт.

20

09920-00150

LIQUID GASKET,LG-7, 150G

SN: 15941-UP

-2шт.

Выбрано товаров: 0