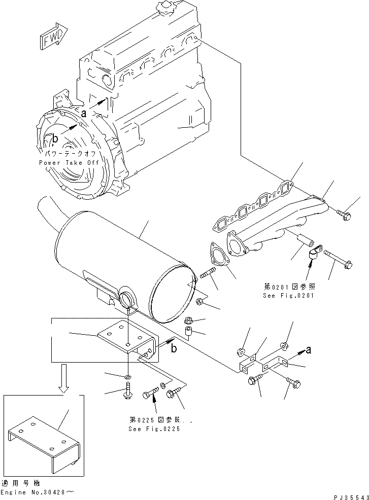
Запчасти Komatsu 4D95L-1L ВЫПУСКНОЙ КОЛЛЕКТОР И ГЛУШИТЕЛЬ ГОЛОВКА ЦИЛИНДРОВ

Схема запчастей Komatsu 4D95L-1L - ВЫПУСКНОЙ КОЛЛЕКТОР И ГЛУШИТЕЛЬ ГОЛОВКА ЦИЛИНДРОВ
1
2
3
4
5
6
7
8
9
10
10
11
12
13
14
15
15
16
16
16
17
17
FIT
1:1
100%

Артикул

Название

Примечание

Количество

1

6204-11-5120

MANIFOLD,EXHAUST

SN: 15941-UP

1шт.

2

6204-11-5810

GASKET (K1)

SN: 15941-UP

1шт.

3

01435-01045

BOLT

SN: 15941-UP

7шт.

4

6206-21-4860

BOLT

SN: 15941-UP

1шт.

5

6112-23-6971

SPACER

SN: 15941-UP

1шт.

6

6204-11-5253

MUFFLER

SN: 26339-UP

1шт.

6

0

MUFFLER

SN: 15941-26338

1шт.

|$$8

(6204-11-5253,6204-11-5623)

-1шт.

7

6144-11-5821

GASKET (K1)

SN: 15941-UP

1шт.

8

01140-61025

STUD

SN: 15941-UP

3шт.

9

6142-12-5850

NUT

SN: 15941-UP

3шт.

10

6204-11-5623

BRACKET

SN: 30428-UP

1шт.

10

0

BRACKET

SN: 26339-30427

1шт.

10

6204-11-5621

BRACKET

SN: 15941-26338

1шт.

11

01435-21045

BOLT

SN: 15941-UP

4шт.

12

6631-11-5630

SPACER

SN: 15941-UP

4шт.

13

01643-31032

WASHER

SN: 15941-UP

4шт.

14

01584-01008

NUT

SN: 15941-UP

4шт.

15

6204-11-5690

BRACKET

SN: 15941-UP

2шт.

16

01435-01020

BOLT

SN: 15941-UP

3шт.

17

01584-01008

NUT

SN: 15941-UP

2шт.

Выбрано товаров: 21