Качественные детали и логистика
Оригинальные и аналоговые запчасти с доставкой по России, Казахстану и Беларуси
©2022 PartSell ООО "Система" ИНН 2463123282 ОГРН 1212400004838
Центральный офис: г. Красноярск, Академика Киренского, д.87, пом.4
Телефон: 8 (800) 777-65-74 Email: zakaz@partsell.ru
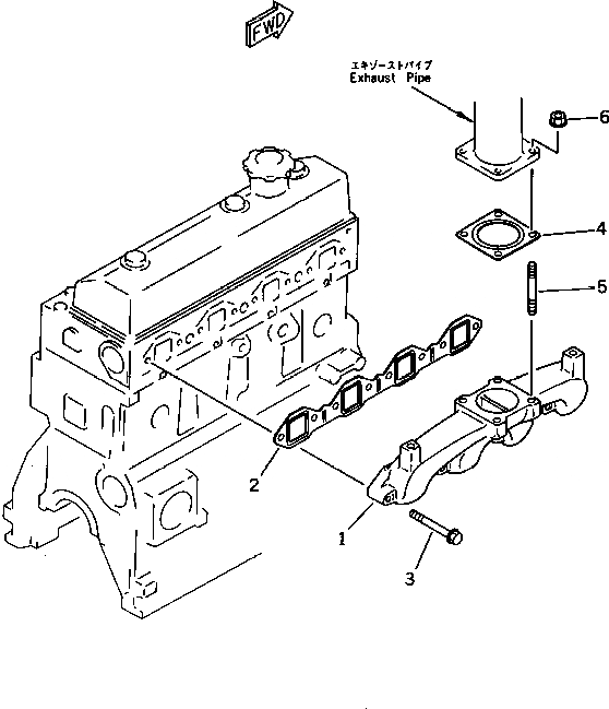
ВЫПУСКНОЙ КОЛЛЕКТОР И СОЕДИН-Е
№
Артикул
Название
Примечание
Количество
1
6204-11-5110
MANIFOLD,EXHAUST
SN: 19787-UP
1шт.
2
6204-11-5810
GASKET (K1)
3
01435-01045
BOLT
8шт.
4
6130-12-5580
5
01140-61025
STUD
4шт.
6
6142-12-5850
NUT
Выбрано товаров: 0