Запчасти Komatsu 4D95L-1Z ПЕРЕДН. КРЫШКАAND ПРИВОД БЛОК ЦИЛИНДРОВ

Схема запчастей Komatsu 4D95L-1Z - ПЕРЕДН. КРЫШКАAND ПРИВОД БЛОК ЦИЛИНДРОВ
FIT
1:1
100%

Артикул

Название

Примечание

Количество

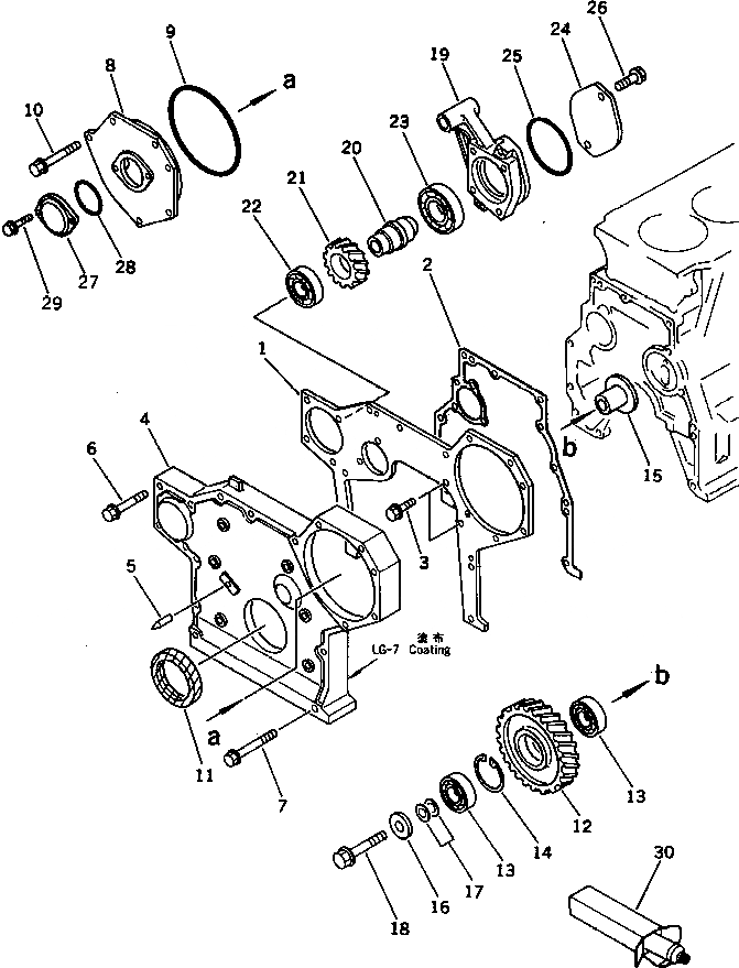
1

6204-21-3221

PLATE,FRONT

SN: 41633-UP

1шт.

2

6206-21-3830

GASKET (K2)

SN: 41633-UP

1шт.

3

01435-20816

BOLT

SN: 41633-UP

2шт.

4

6204-21-3121

COVER,FRONT

SN: 62440-UP

1шт.

4

0

COVER,FRONT

SN: 41633-62439

1шт.

5

6204-21-3850

POINTER

SN: 41633-UP

1шт.

6

01435-20855

BOLT

SN: 41633-UP

9шт.

7

01435-20870

BOLT

SN: 41633-UP

2шт.

8

6204-21-3130

COVER

SN: 41633-UP

1шт.

9

07000-02135

O-RING (K2)

SN: 41633-UP

1шт.

10

01435-20865

BOLT

SN: 41633-UP

6шт.

11

6204-21-3510

SEAL, FRONT (K2)

SN: 41633-UP

1шт.

12

6204-31-6110

GEAR,IDLER

SN: 41633-UP

1шт.

13

06002-32006

BEARING,ROLLER

SN: 41633-UP

2шт.

14

04065-05520

RING,SNAP

SN: 41633-UP

1шт.

15

6204-31-6130

SHAFT

SN: 41633-UP

1шт.

16

6144-21-2420

WASHER

SN: 41633-UP

1шт.

17

6144-21-2500

SHIM ASS'Y (K2)

SN: 41633-UP

1шт.

17

0

SHIM, 0.1MM

SN: 41633-UP

3шт.

17

0

SHIM, 0.4MM

SN: 41633-UP

2шт.

17

0

SHIM, 1.0MM

SN: 41633-UP

1шт.

18

01435-01270

BOLT

SN: 41633-UP

1шт.

19

6204-21-9270

HOUSING,P.T.O.

SN: 44046-UP

1шт.

19

6204-21-9212

HOUSING,P.T.O.

SN: 41633-44045

1шт.

|$24

6204-21-9100

SHAFT ASS'Y

SN: 41633-UP

1шт.

20

0

SHAFT

SN: 41633-UP

1шт.

21

0

GEAR

SN: 41633-UP

1шт.

22

6130-22-9160

BEARING,BALL

SN: 41633-UP

1шт.

23

06040-06207

BEARING,BALL

SN: 41633-UP

1шт.

24

6144-21-9811

PLATE

SN: 41633-UP

1шт.

25

07000-02085

O-RING (K2)

SN: 41633-UP

1шт.

26

01435-21020

BOLT

SN: 41633-UP

2шт.

27

6144-81-5151

COVER

SN: 41633-UP

1шт.

28

07000-03050

O-RING (K2)

SN: 41633-UP

1шт.

29

01435-20616

BOLT

SN: 41633-UP

2шт.

30

09920-00150

LIQUID GASKET,LG-7, 150G

SN: 41633-UP

-2шт.

Выбрано товаров: 36